为迎接信息化时代的到来,满足广大读者对信息、无线传输应用技术的渴求,本报与深圳市创索佳电子有限公司合作,共同开辟了“声表面波器件在高频无线收发电路中的应用”专栏。在专栏中,以创索佳公司多年来在高频无线收发领域不断探索而获得的成功经验,结合现代最新软/硬件技术,分5个章节来介绍声表面波器件在高频无线收发电路中及高频无线收发组件在信息传输领域的应用。文章内容新颖,切合实际,尤其在技术的应用方面有较详尽的描述,相信该栏目的推出会给从事无线电应用技术开发的专业技术人员和业内人士提供有益的帮助。
在我们推出声表稳频型发射机以前,国内厂家大多采用一个源自海外刊物发表过的发射机电路(详见1993年《实用电子文摘》第一期53页《用声表面波谐振器制作小型多功能遥控机》一文),其简化电路原理如图1所示,该电路的设计输出功率为4mW,与设计功率为10mW的LC式发射机相比遥控距离变近也是理所当然的了。
其实,图1所示的振荡电路也不是声表振荡电路的唯一形式。笔者经过多年的探索,设计开发了多种可满足不同需要的声表稳频振荡发射电路,从耗电微瓦级微功率的发射机到输出功率达数瓦的单级大功率发射机,以及从ASK(幅度键控)或FSK(频移键控)调制方式的数传或遥控用发射机到AM(调幅)或FM(调频)方式的语音及图像传送用发射机均已开发成功。现将一套发射/接收都用声表稳频的、在开阔地上最大遥控距离可达3000米的高性能无线电遥控电路介绍给广大电子爱好者。
一、发射机
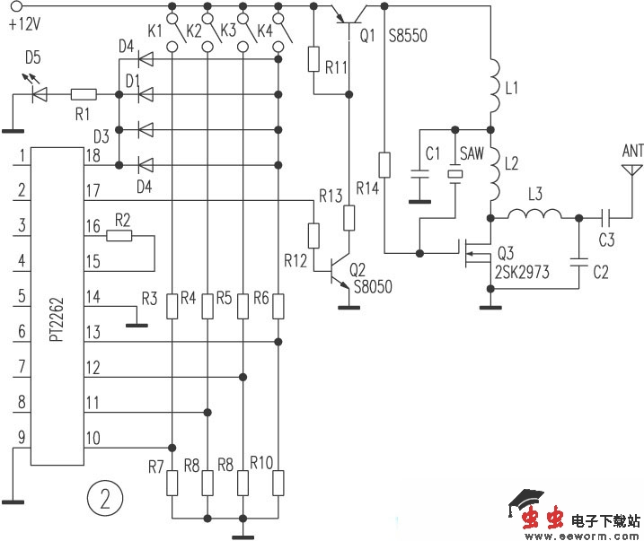
这是一个带地址编码的四键微型超远程遥控发射机,电路原理见图2所示。
R11~R13、Q1、Q2组成电子开关式调制电路,当编码器输出为高电平时Q1导通,振荡发射级工作;当编码器输出为低电平时Q1截止,振荡发射级停止工作,从而完成ASK调制。R14、Q3、C1、L1、L2及声表谐振器SAW组成315MHz的功率振荡级,Q3为高频功率场效应管,在450MHz下可输出1.5W的功率,其中L1、L2及C1组成SAW所需要的移相选频及匹配网络,使Q3与SAW在很高的效率下工作。L3、C2及C3组成天线匹配网络,使天线阻抗与振荡级匹配,确保其稳定工作。
发射机主要技术指标如下:1)工作电压范围:3V~12V;2)工作频率:315MHz±100kHz,也可选择其它频率;3)频率稳定度:优于10-5;4)峰值发射功率:0.5W;5)工作温度范围:-20℃~+80℃;6)地址码数:6561组不重复;7)工作方式:间断工作;8)外形尺寸:73mm×37mm×15mm。
本机编码及按键控制部分与一般遥控发射机相似,特色部分为调制级和振荡发射级采用的是本人独创的单级***率振荡发射电路,这是本机微型化、低功耗和远距离遥控的保证。
二、接收机
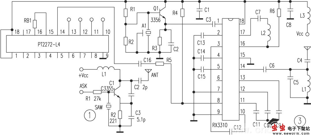
接收机是用声表谐振器稳频的超外差式成品板,电路原理见图3。
接收机以集成电路RX3310为核心元件,组成ASK制解调的超外MHz式接收机,其灵敏度为-105dBm。RX3310的①、②脚为本机振荡回路元件连接端,外接一个LC选频网络即可产生本振信号。为了提高本机稳定性,本振信号用外接的声表稳频振荡电路产生,通过①脚输入。解调出的数据信号从⑧脚输出送入***解码。
接收机主要技术指标如下:1)工作电压范围:2.7V~5V;2)工作频率:315MHz±100kHz,也可选择其它频率;3)工作电流:≤3mA(3V供电时);4)接收灵敏度:优于-105dBm;5)工作温度范围:-20℃~+80℃;6)地址码/数据:八位三态地址/四位数据;7)工作方式:连续工作;8)外形尺寸:28mm×32mm×5mm。
三、应用
由于这套组件的发射和接收部分都采用了声表面波谐振器稳频,因此工作稳定并具有遥控距离远,完全可以满足工业及民用产品对稳定性和可靠性的要求。这套组件的设计充分考虑了多用途和可扩充性等方面的要求,广泛适用于安防产品、车库门、交通指挥、车船模型、工业自控等领域的远距离遥控操作。[!--empirenews.page--]
这套组件在开阔地上的遥控距离通常可达1.2~1.5公里,如果改用12V电池组或直流稳压电源供电,遥控距离则可达2公里,如果再将天线换成小型吸盘天线或同轴偶极天线则遥控距离可达3公里以上。
需要特别说明的是:发射机电路是按间断工作的要求设计的,故每次按键的时间不得超过1秒钟,并且通/断之比应小于1。天线阻抗不匹配也会影响发射效果,甚至损坏发射管,故发射前一定要将拉杆天线全部拉出。

