本文介绍一种适合于工业遥控的(特别是可用于电动葫芦遥控)频率合成(I2C控制)二次变频FSK窄带收发模块NT230、NR230。该模块是专为工业遥控器开发生产的,它采用了先进的锁相环(PLL)二次变频窄带频移键控(FSK)技术及SMD元器件。其体积小、工作稳定可靠、抗干扰性极强,频稳度达5×10-6(5PPM,-20℃~50℃),灵敏度为1μV(12dB SINAD。普通环境下,遥控距离达80~100m。符合工业遥控器国家标准。
一、工作原理
NT230发射模块选用特制的进口高稳定度晶振(并非声表面波谐振器)。其输出的230MHz射频FSK信号极为稳定,且发射电流很小,在5V/8mA时,输出为110dBμv(75Ω负载)。
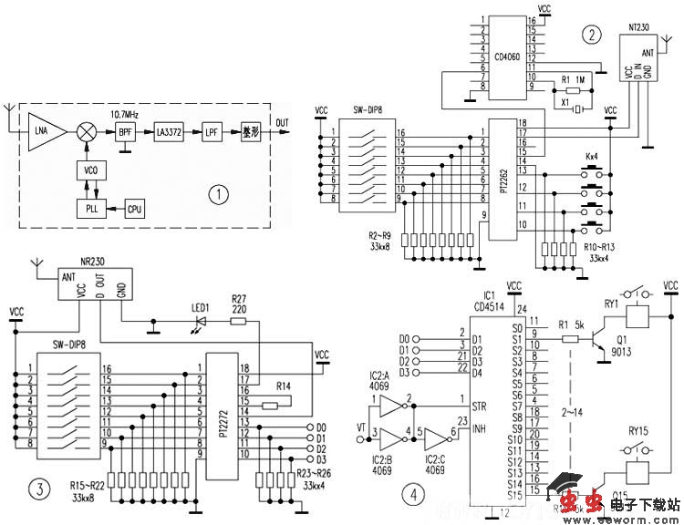
NR230接收模块框图如图1,由天线来的已调编码信号经高放、混频后送入由LA3372组成的第二次混频,检出原始信号后,再经低通及放大整形电路,还原成编码信号供解码用。混频器的本振信号是由锁相环(PLL)控制的压控振荡器(VCO)提供的,由4MHz晶振和CPU提供标准频率(I2C控制)。值得一提的是这里的混频器采用了一片SSOP封装的新型SMD元器件电路,内带平衡混频器及中放,混频效率极高且输出频谱干净,第二中频滤波采用了通讯专用的五端滤波器,选择性在±25kHz时达50dB。
二、应用举例
本收发模块可广泛运用于工业无线控制、起重机遥控、无线数据传输、遥控汽车车库门等。配合PT2262/2272编解码芯片的发射、接收应用电路,分别见图2和图3,图中电源电压Vcc=6V。需要说明的是,PT2262一般都用一个电阻决定其振荡频率,这样可能使振荡频率有偏差,本应用实例中使用了一片4MHz晶振经CD4060分频后,为其提供准确的频率。
在图2电路中,PT2262是编码芯片,有8个地址码,4个数据码,共12个控制端。每个控制端均有“0”、“1”和悬空三种状态,在本例中悬空不用,故用下拉电阻对地。所以地址码共有2(的8次方)即256种。时钟信号从PT2262的脚输入,第、、、脚是4位数据码输入端,由轻触开关控制。PT2262第脚输出的编码数据信号,直接送到发射模块NT230中进行窄带调频。如欲进一步提高射频指标、减少边频,需在PT2262的输出端与NT230的输入端之间加入一由集成运放构成的低通电路。
图3为接收解码电路。在***PT2272与编码器PT2262地址码完全一致的前提下,***对从接收头NR230送来的编码信号进行识别,一旦脉冲波形完全符合,即告解码成功。在PT2272对应的输出端(D0~D3)输出一高电平,以驱动后续电路。同时在其脚VT端的电位由低变高,并维持到编码信号结束。
当用于控制端超过4路的情况时,接收解码可用CD4514进行扩充。具体电路如图4所示。CD4514是一片4~16端的译码片,可将4路控制信号扩充至最多16路。发送端可用二极管矩阵或用PLD芯片组成16~4编码器进行扩充。
PT2272一旦有正确的解码信号,VT端输出的高电平,经IC2 A、IC2 B反相后,加到CD4514的第脚禁止端。这里IC2 A、IC2 B并联是为了提高驱动能力。而IC2 C输出的高电平则加到CD4514的脚允许端,使CD4514只有在有VT信号时才保持有效。在此期间CD4514的输入端D1~D4接收到从PT2272送来的数据信号时,相应的输出端有一位会变为高电平,此高电平经电阻和三极管组成的驱动电路,使对应的继电器动作。
