外差式遥控接收电路(TDA5200)

📅 发布时间:2013-09-28 08:10 👁️ 浏览:1 🏷️ 标签: 5200 TDA 外差式 遥控接收

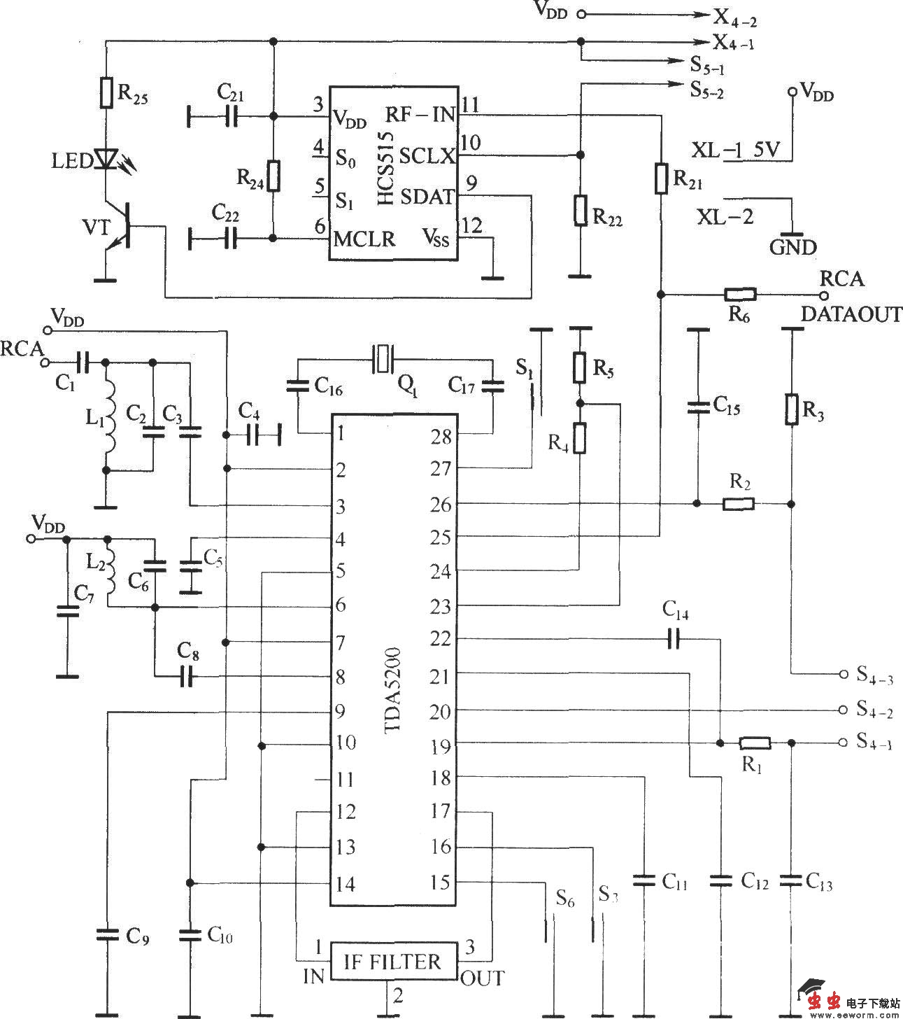
TDA5200是一只低功耗单片ASK超外差接收电路,它的工作频率范围分两挡:868~870MHz和433~435MHz.该电路集成度高,外围元件少,功能完善,是一只性能优良的单片接收电路.

觉得这篇文章有帮助吗?