
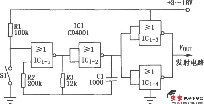
本电路的核心元件是二输人端四或非门集成电路CD4001,整个电路结构简单、元件少、易制作,特别适用于遥控发射或载波调制发送。如图是单通道遥控发射调制器的具体电路, 或非门IC1-1、IC1-2组成多谐振荡器,其振荡频率为40kHz。或非门IC1-1的上输入端为控制端,当其为高电平时,电路停振;当其为低电平时,电路起振。开关Sl为控制按钮,当Sl被按下时,或非门IC1-1的上输入端即为低电平,振荡电路开始工作,可输出40kHz、占空比为50%的连续方波。改变电阻R3或电容Cl便可改变电路的振荡频率。或非门ICl-3、ICl-4组成缓冲级,用于提高电路的驱动能力。本调制器输出的信号送往后续的发射电路。