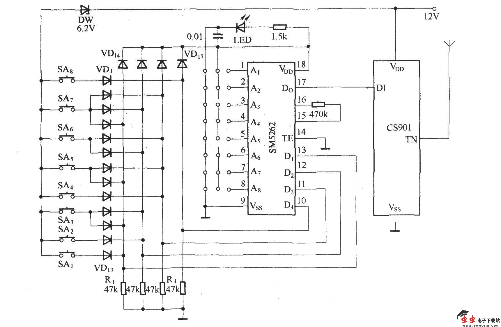
如图所示是用CS901模块与数字编码器SM5262(与PT2262相同)组成的八路遥控发射器,按键SA1~SA8和二极管VD1~VD13组成八路矩阵输入电路,作遥控发射器的八个编码输入电路。由于SM5262的7~13脚为地址/数据共用端,如果将其用作数据输入端,则该电路共有六个数据输入端,当它全部用作数据输入时,共可组成26=64,即64路遥控发射器.该电路中仅使用其中的D1~D4四个输入端,它可以组成24=16路的遥控发射器,实际本电路只用了它的一半,即八路,组成一个八路遥控发射器。这个八路发射器的数字输入编码分别为:SA1-0001,SA2—0010,SA3—0011,SA4—0100,SA5—0101,SA6—0110,SA7— 0111。SA8—1000,其余编码1001—1111未加利用。
