
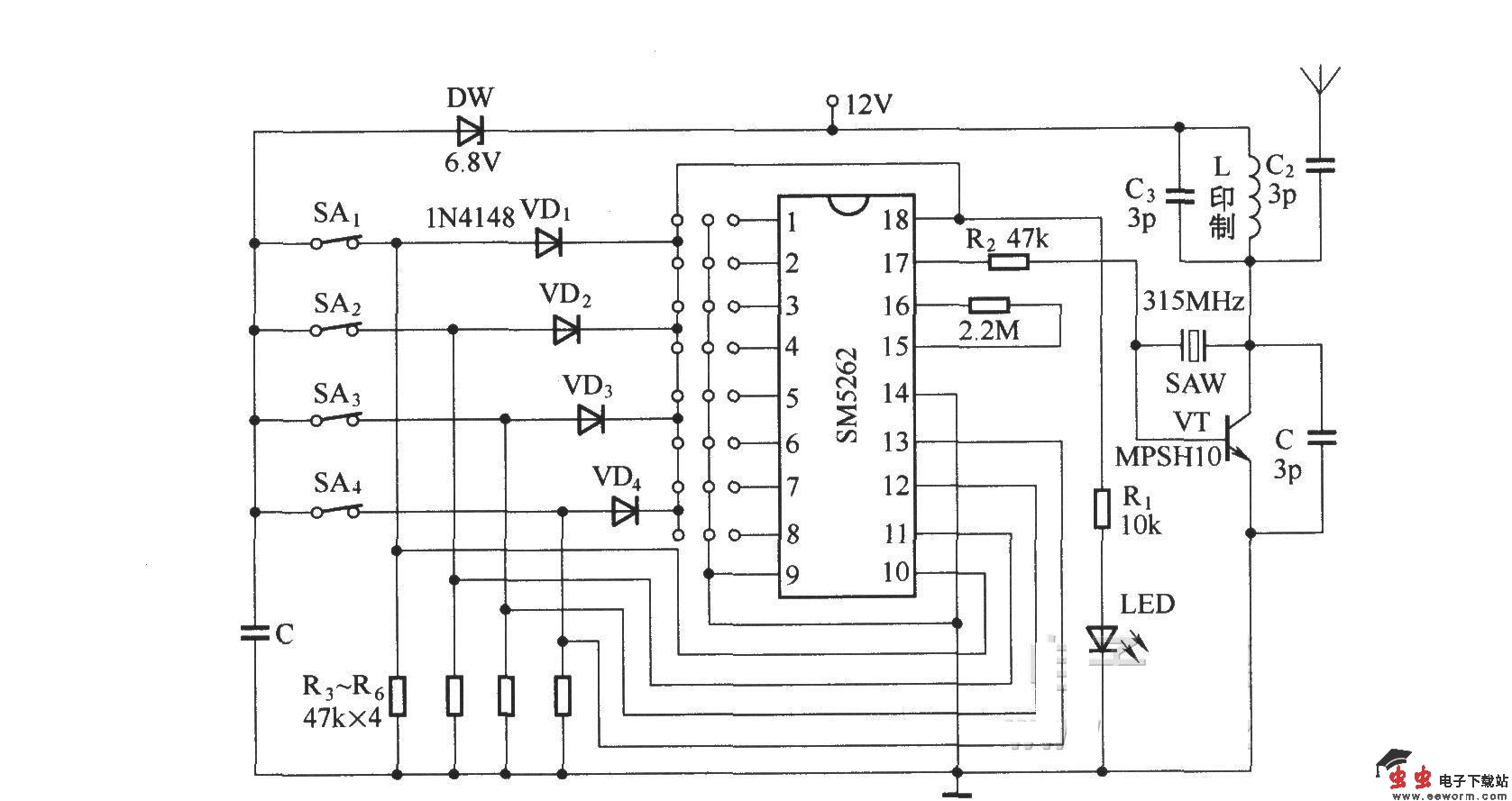
如图所示是加入数字编码器的遥控发射电路,数字编码电路采用SM5262,该电路与PT2262完全相同,可直接互换使用。编码数据信号从SM5262的17脚输出,通过R2加至发射管VT的基极,对发射载频进行数字调制。发射管VT与315MHz的SAW组成载频振荡与发射电路,电感线圈L采用印刷板电感,使线圈电感量不因线圈的变形而变化,这在成批生产时可保证电路性能的一致性和减少调整过程。该组件的型号为CS900,它与 CS902及CS906配套使用,控制距离达200米。

如图所示是加入数字编码器的遥控发射电路,数字编码电路采用SM5262,该电路与PT2262完全相同,可直接互换使用。编码数据信号从SM5262的17脚输出,通过R2加至发射管VT的基极,对发射载频进行数字调制。发射管VT与315MHz的SAW组成载频振荡与发射电路,电感线圈L采用印刷板电感,使线圈电感量不因线圈的变形而变化,这在成批生产时可保证电路性能的一致性和减少调整过程。该组件的型号为CS900,它与 CS902及CS906配套使用,控制距离达200米。