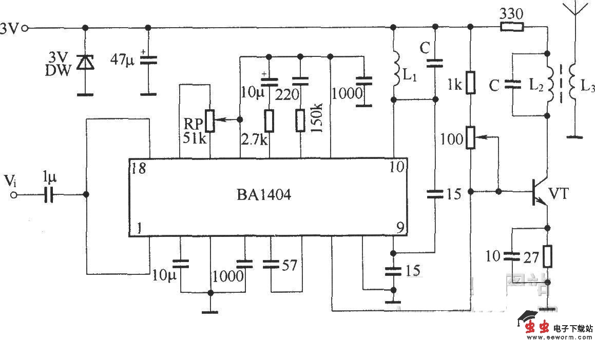
BA1404为调频立体声发射专用集成电路,由于工作性能优良,也常用于无线电遥控.BA1404所需工作电源电压低,功耗小,电路结构完善,所需外接元件少,工作稳定可靠. BA1404在使用中应注意下列事项: (1)为了使发射机的频率特性与FM广播接收机的频率特性一致,需在左、右声道输人端串接一个时间常数为50μs的预加重电路,如图所示。当用于无线电遥控发射电路时,可将左、右输入端合并,用0.1~1μF电容与信号输入端连接。 (2)12~14脚外接R、C元件,是保证立体声调制器的输出信号与导频信号组合成复合信号时,两者相位特性一致,不使声道分离度恶化,一般情况下不得变更。如需变更应进行实际试验后确定。 (3)立体声调制时,调制信号的声频上限为19kHz,若输入信号中伴有脉冲性信号,为了防止出现蜂音和声道分离度恶化,应在输入端串接低通滤波器。 (4)16~17脚是用于调节平衡的引脚,这两脚即使什么也不接,也可以获得满意的分离度。在通常的使用中总是接一个50kΩ的电位器,通过调节直流平衡,使分离度进一步提高。 (5)11脚的直流输出电压由内部电路固定为VDD~0.7V。

