普通红外遥控器作用距离一般为10m左右,且方向性很强。而由HF-15/HJ-15构成的红外遥控发射/接收电路作用距离可达25m,其对射夹角大于15°,且外转电路简单,安装方便。
HF-15为红外遥控发射组件,其工作电压4~12V,典型值9V;工作频率32~45kHz可调,由第1、2脚之间所接的电位器来调节发射电路的载波频率,一般选40kHz。
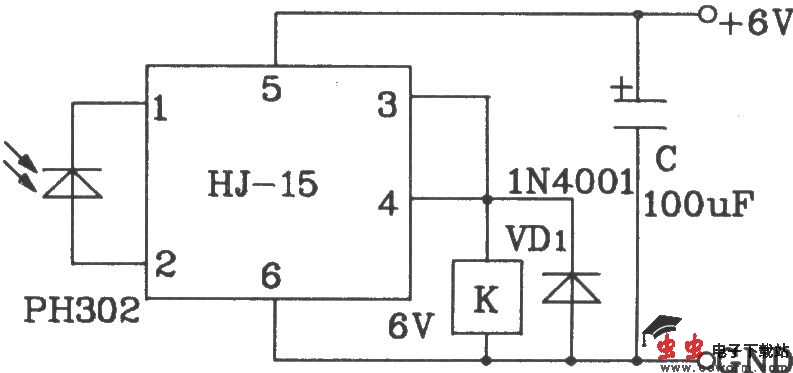
HJ-15内部设有前置放大电路、整形电路和滤波电路,放大器放大倍数可达2.5万倍。如果需要加大遥控距离,可在红外发射/接收管的前面加只带凸镜聚光片的聚光筒即可,但此时应注意调整好焦距,否则无效果。
下两图分别为HF-15和HJ-15所构成的红外遥控发射、接收典型应用电路:
