TC9012F构成的典型红外发射应用电路图

📅 发布时间:2013-09-27 16:50 👁️ 浏览:0 🏷️ 标签: 9012F 9012 TC 典型

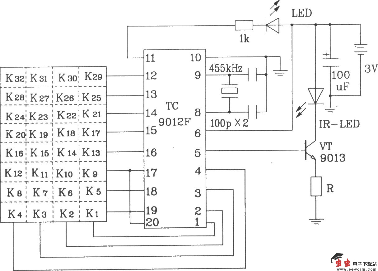
TC9012是一种专用的戏外遥控编码发射。其内部包括振荡器、分频器时序产生器、系统码锁存、数据寄存、键扫描输入、键扫描输出、载波控制及输出单元。其内部设置了8位系统码,可实现256只发射器同时同点操作发射而互不干扰。

TC9012F构成的典型红外发射应用电路图 

TC9012F外形引脚图

TC9012F构成的典型红外发射应用电路图 

TC9012内部原理框图 TC9012F构成的典型红外发射应用电路如下图所示:

TC9012F构成的典型红外发射应用电路图 

觉得这篇文章有帮助吗?