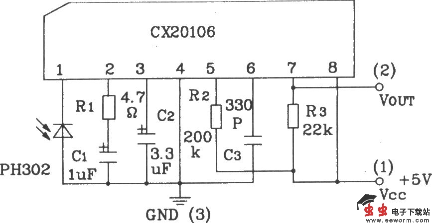
PFS-4091为通用型红外遥控接收专用器件。其接收灵敏度较高,一般可将微弱的红外线信号放大1万倍左右。器件内部由一红外线接收管PH302和放大电路(CX201060)组成。它可直接好整以暇红外发射管配合构成各种红外遥控系统,如家用电器遥控及各种工业遥控控制等。
PFS-4091主要电气参数为:工作电压范围4.5~17V典型值5V;自身功耗9mW(Vcc=5V时);工作温度-20~ 75℃。载波频率F0=38。R1由4.7Ω减少至0Ω时,电路灵敏度最高,此时遥控距离可达12m,但此时易受干扰。


PFS-4091内部电路图如下图所示: