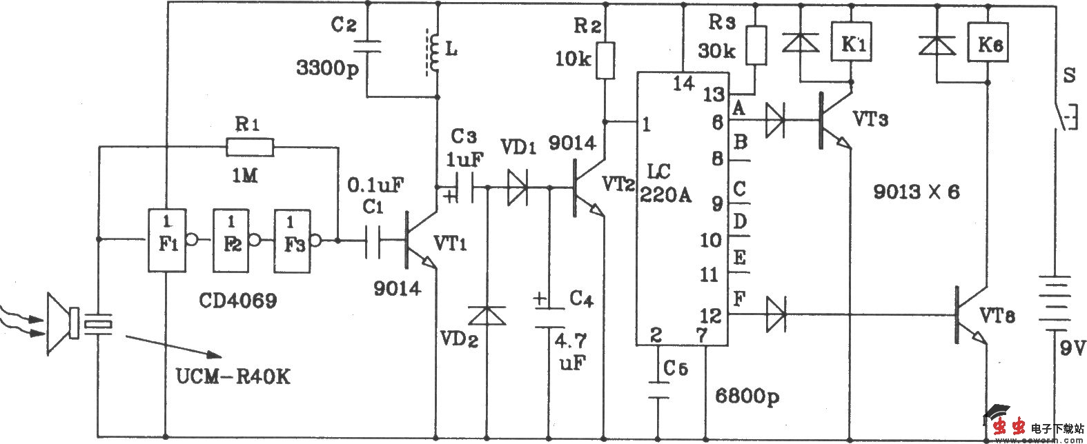
LC219/220A构成超声波6路遥控接收应用电路图

📅 发布时间:2013-09-27 15:35 👁️ 浏览:0 🏷️ 标签: 219 220 LC 超声波

LC219/220A构成超声波6路遥控接收应用电路图 

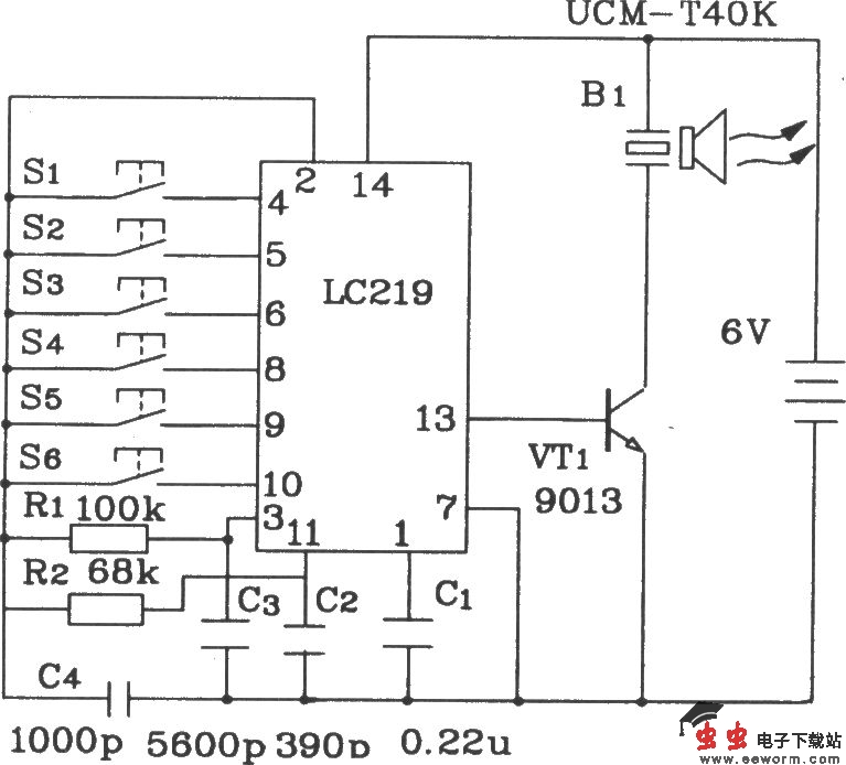
LC219构成超声波6路遥控发射应用电路

LC219/220A构成超声波6路遥控接收应用电路图 

LC220A构成超声波6路遥控接收应用电路 电路中LC219的13脚将输出39kHz的载波编码脉冲,接收电路中LC220的MOD端仍接成自锁方式,并由与UMCT40K桎的UCM-R40K作为接收器件,其谐振频率为39kHz。

觉得这篇文章有帮助吗?