LM1871/1872外形引脚功能图
LM1871内部原理图
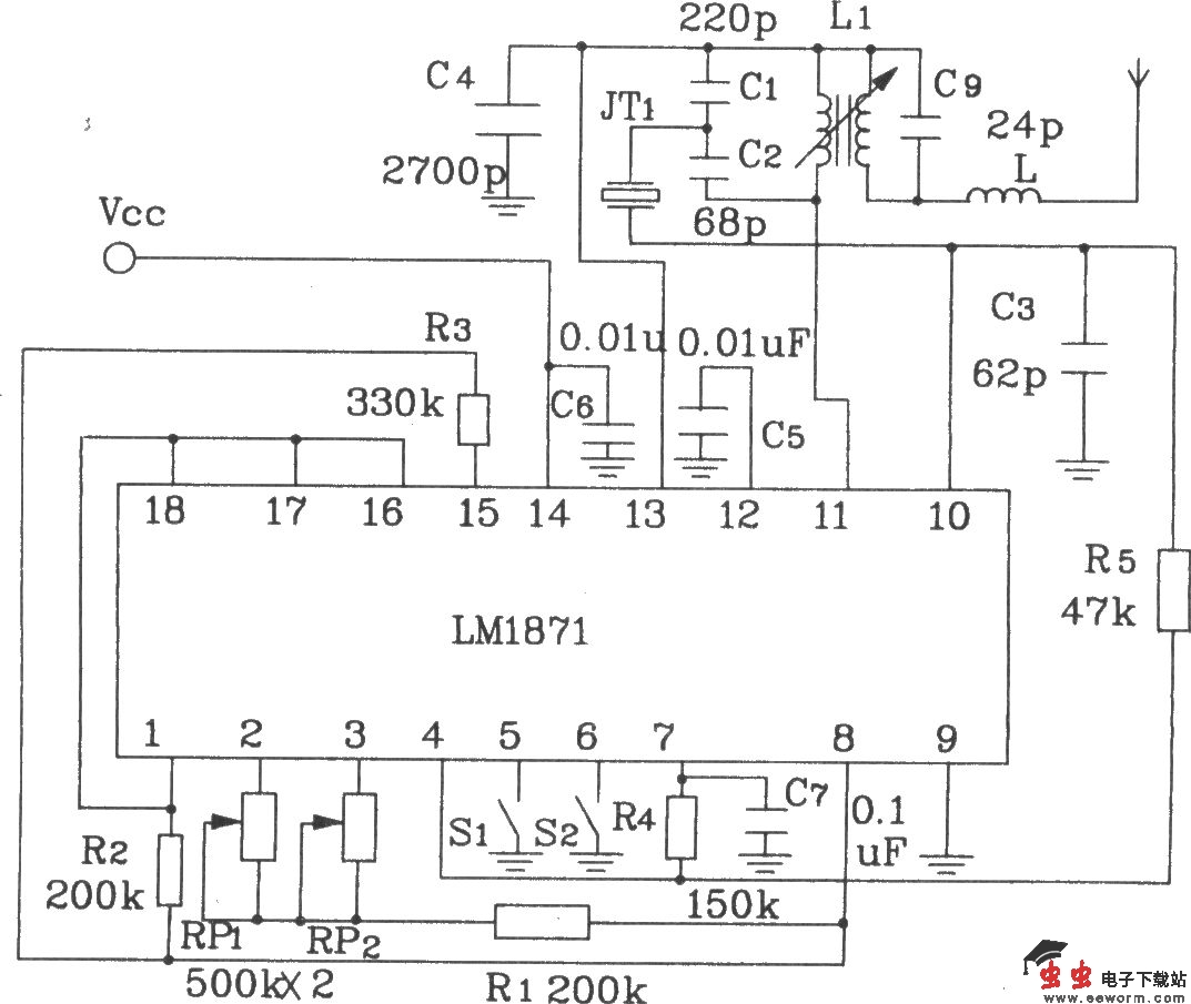
LM1872内部原理框图 LMl871/1872无线电遥控专用芯片工作电压范围为3~9V;发射芯片LMl871工作频率可达80MHz,作频率可达80MHz,并可任选;内部含有振荡器、发射器和编码器;通道数可编程,且射频输出功率可调节。一般遥控距离可达几十米。若适当提高电源工作电压,且加上一或两级高放电路,则遥控距离可增至l~2km。 以下图形是由LM1871/1872构成的典型遥控发射/接收电路:

发射电路

发射电路产生的编码脉冲波形图

接收电路

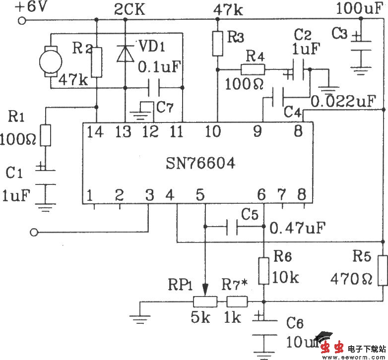
SN6604构成LM1872的随动电路