TWH9236/9238微型无线电遥控发射/接收组件包括一只匙扣式发射机和一只微型接收机。
TWH9238外形引脚图
TWH9236外形引脚图

TWH9236/9238内部原理框图 对于发射组件TWH9236,其工作电压采用一节Az3型的钮扣电池,电压为1.5V,工作电流小于6mA。而TWH9238接收组件工作电压为6V,静态电流仅l.5mA。其数据输出端的输出电压为5V,最大输出电流为l.8mA,可直接驱动晶体管工作。二者配合使用遥控距离大于50m。
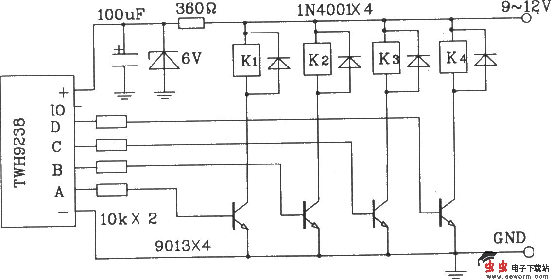
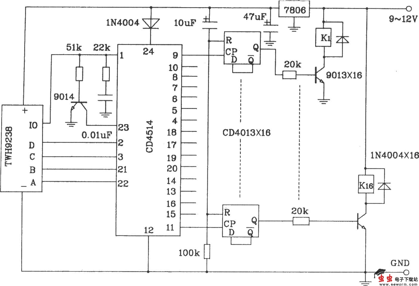
TWH9238构成的4位遥控开关电路 TWH9238不但可构成3、4路遥控发射/接收电路,而且可扩展成9路16路遥控控制电路。如果在TWH9238的后级再加一块十进制计数器CD4028,则电路可实现9路控制功能。若将十进制的计数器CD4028换成二进制电路CD4514,则电路可输出将扩展到16位。下图为TWH9238构成扩展到16位的遥控接收解码电路。