LC9301/9305红外遥控发射、接收集成应用电路图

📅 发布时间:2013-09-27 15:00 👁️ 浏览:0 🏷️ 标签: 9301 9305 LC 红外遥控

LC9301/9305红外遥控发射、接收集成应用电路图 

LC9301/9305外形引脚图 LC9301/9305红外遥控发射/接收器件电源电压范围为4.5~5.5V,典型值为斗5V;外部晶振频率为455kHz;载波频率为38kHz;自身消耗电流仅有μA级;发射电路输出电流大于5mA,可直接驱动红外发射管工作,作用距离不小于8m。

LC9301/9305红外遥控发射、接收集成应用电路图 

LC9301构成典型红外遥控发射应用电路

LC9301/9305红外遥控发射、接收集成应用电路图 

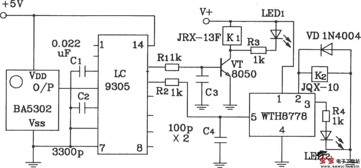
LC9305构成典型红外遥控接收应用电路

LC9301/9305红外遥控发射、接收集成应用电路图 

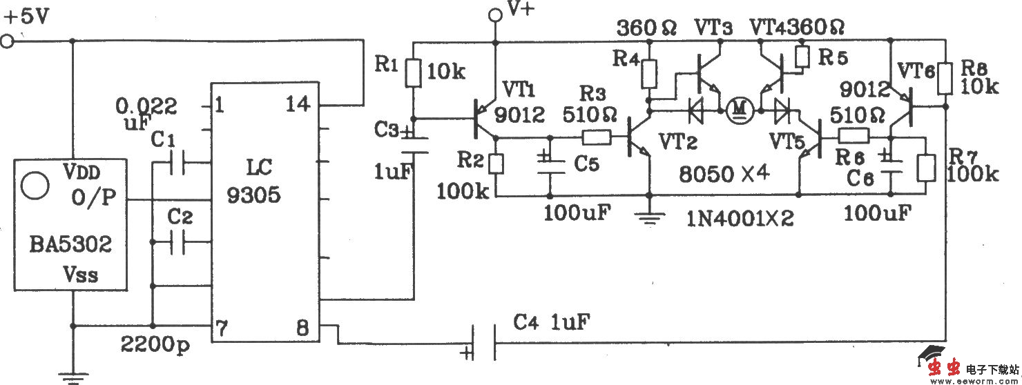
LC9305构成直流电机正、反向遥控控制接收电路

LC9301/9305红外遥控发射、接收集成应用电路图 

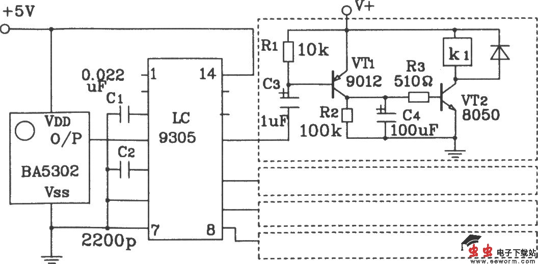
LC9305构成遥控继电器控制双稳态触发电路

觉得这篇文章有帮助吗?