F03/J02调频发射/接收模块具有体积小、外转元件少、低电压功耗、工作效率高、性能稳定等优点。同时又由于模块采用了印刷电厂线圈且工作于微波波侧面,所以工作频率稳定,干扰小,传输距离远,不用外接天线即可达到有效发射/接收距离。二者配对使用可广泛应用于遥控开关、防盗报警、玩具及其它点子设备控制方面。

F03调频发射模块外形脚图

J02接收模块外形引脚图
电气参数:
F03发射模块工作频率约为320MHz且可扩展;工作电压1.5~9V,典型值为6V;工作电流为O.8~30mA,由输入端的微调电阻调整至最佳发射状态。工作电压选则l.5V时,发射电流约为几个毫安培,发射距离约几十米;选择3V时,将电流调至10mA左右,发射距离可达100m;当选择6V时,电流调至20mA左右,有效发射距离大于lOOm且发射频率稳定。 J02接收模块工作电压为3~6V,典型值为3V。在3V工作时,工作电流约为0.1mA。 J02接收频率可调,按其接收频率的不同一般分为A型、8型两种。A型接收频率范围为l80~320MHz。B型接收频翠范围为280~400MHz,两种类型均由一片状微调电容来调节。通常与F03配对使用时采用B型J02模块。 F03构成的遥控编码发射电路:
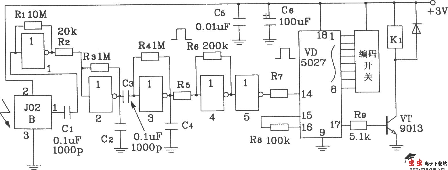
J02B构成的遥控解码接收电路: