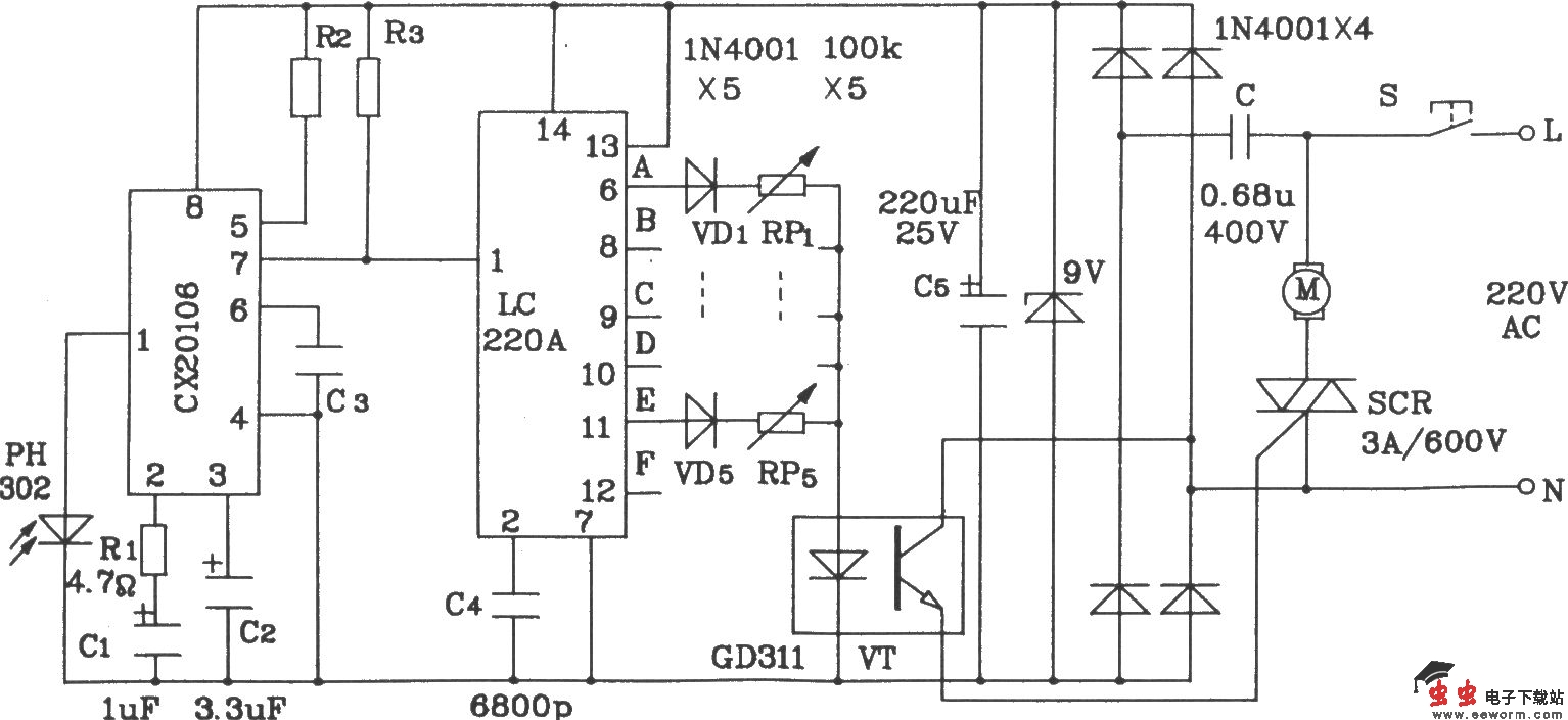
LC219/220A构成红外线遥控电机调速发射、接收电路图

📅 发布时间:2013-09-27 14:45 👁️ 浏览:0 🏷️ 标签: 219 220 LC 红外线遥控

LC219/220A构成的红外线遥控5挡电机调速器外转电路元器件少,调试简单。其谐振频率为39kHz.

LC219/220A构成红外线遥控电机调速发射、接收电路图 

LC219构成红外线遥控电机调速发射电路

LC219/220A构成红外线遥控电机调速发射、接收电路图 

LC220A构成红外线遥控电机调速接收电路

觉得这篇文章有帮助吗?