用PT2128/PT2268的全功能遥控电风扇电路

📅 发布时间:2013-09-27 13:55 👁️ 浏览:1 🏷️ 标签: PT 2128 2268 遥控电风扇

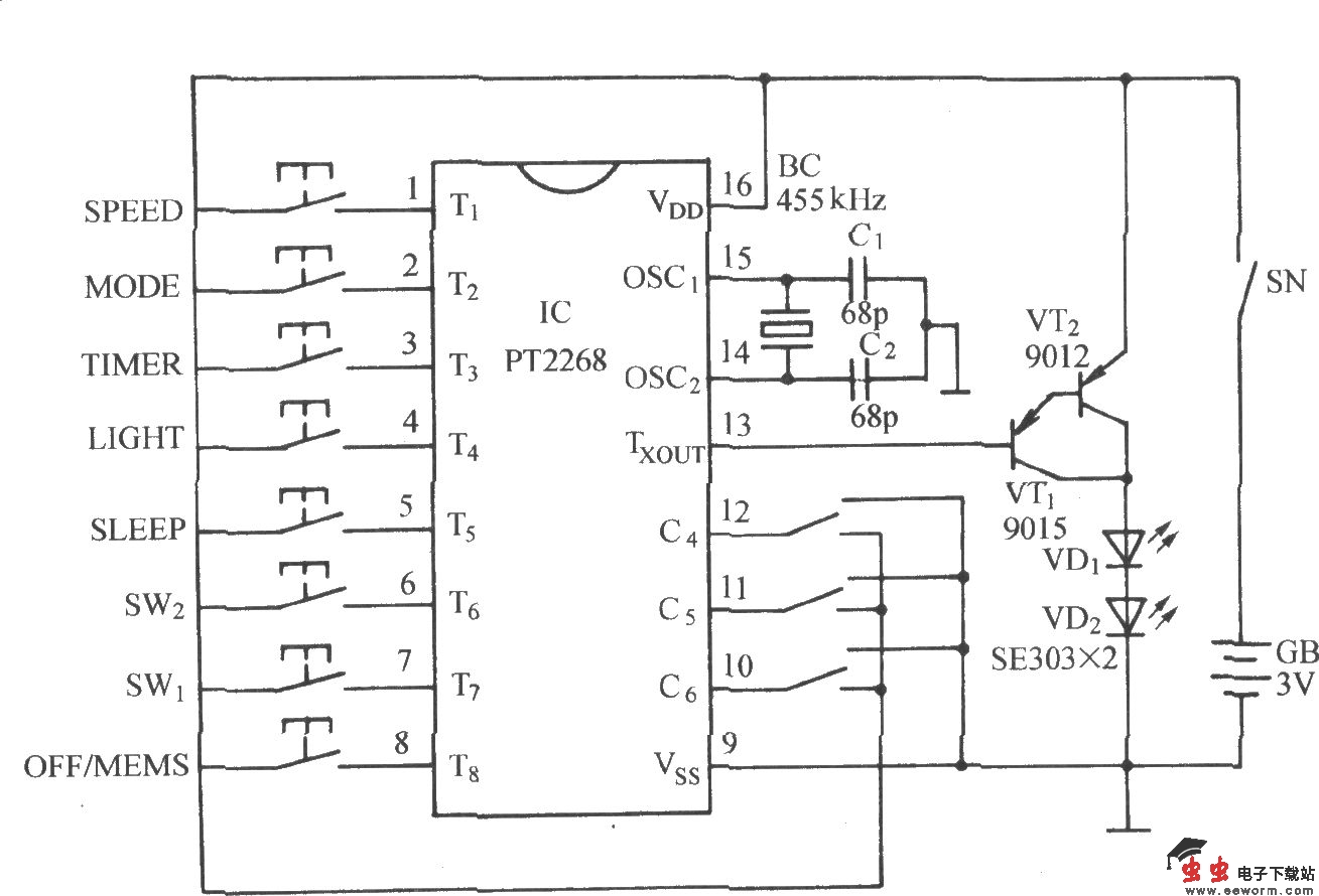
PT2268遥控编码发射器电路:

用PT2128/PT2268的全功能遥控电风扇电路

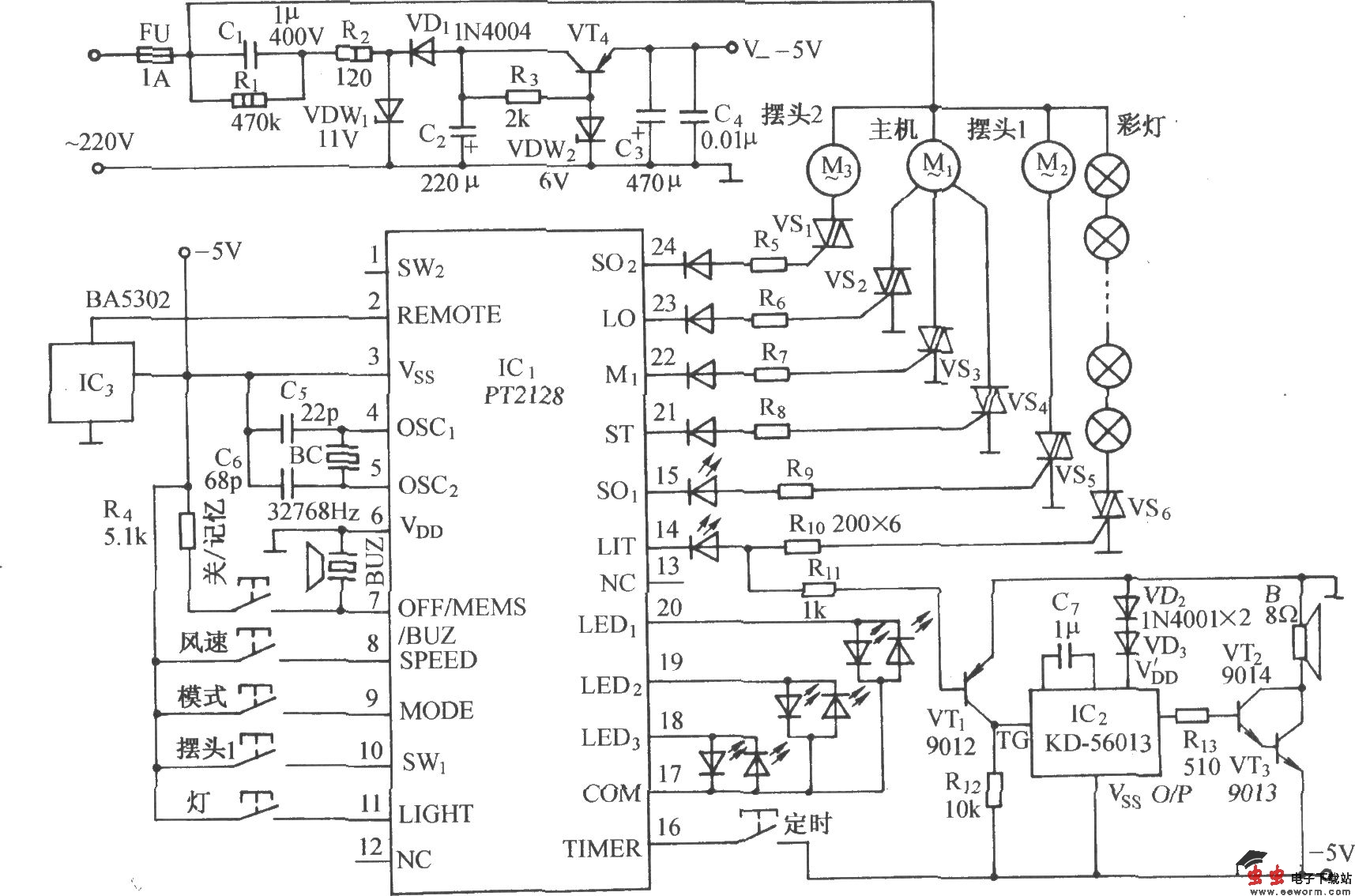
PT2128彩灯音乐变速电风扇控制电路:

用PT2128/PT2268的全功能遥控电风扇电路 

觉得这篇文章有帮助吗?