红外线遥控电路(TR1300/1315,PIC12043)

📅 发布时间:2013-09-27 11:45 👁️ 浏览:2 🏷️ 标签: 12043 1300 1315 PIC

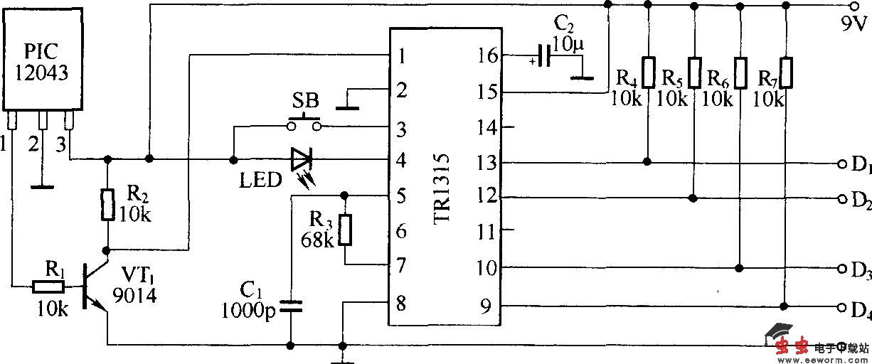
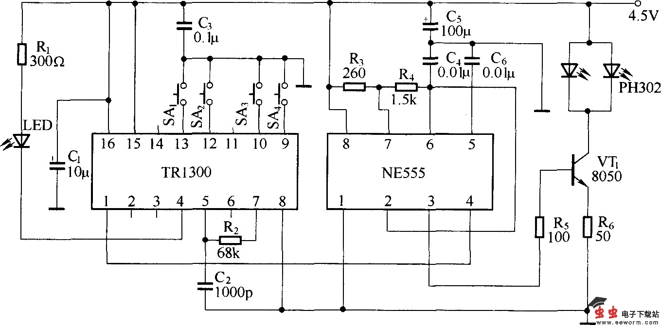
和数字编码电路一样,跳码编码电路所输出的编码也可通过红外线或无线电波进行传送。在接收端,通过接收、解调电路对所接收到的调制信号进行放大、解调后,由跳码解码芯片将通道数据解出后输出,通过控制执行电路去控制相应的电路。如图所示是由跳码芯片TR1300/1315与红外线遥控接收模块PIC12043组成的红外线遥控电路。

遥控发射电路:

红外线遥控电路(TR1300/1315,PIC12043)

红外接收解调解码与输出电路:

红外线遥控电路(TR1300/1315,PIC12043)

觉得这篇文章有帮助吗?