多通道无线遥控电路(F36-F/F36-J)

📅 发布时间:2013-09-27 10:05 👁️ 浏览:0 🏷️ 标签: 36 多通道 无线遥控 电路

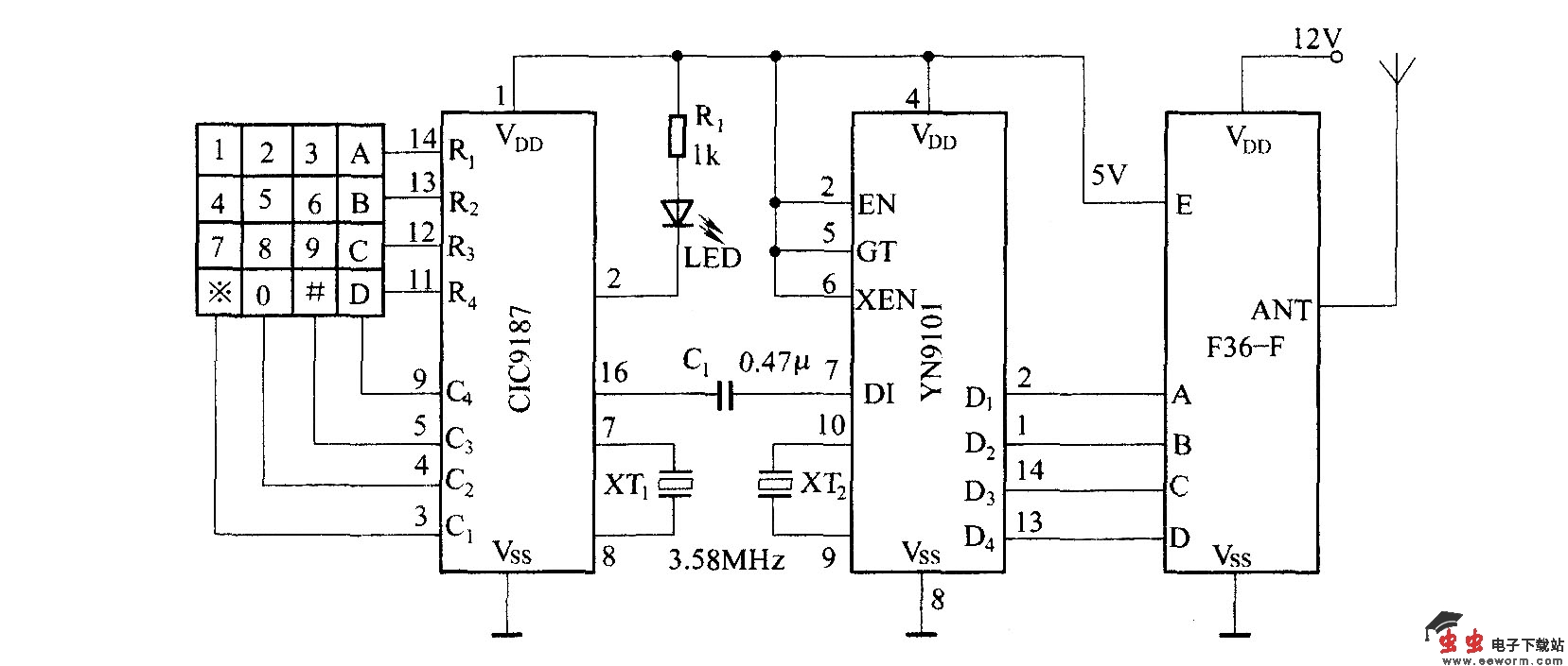
该电路采用F36-F/F36-J组成的多通道无线电遥控电路。在发射电路中采用 DTMF编译码电路将发射按键输入信号转变为四位二进制码输入F36-F向外发射。在接收电路中,F36-J将接收到的遥控信号通过解调译码还原为四位二进制码,将四位二进制码通过一个四-十六线译码器转变为一个确定的通道控制信号输出,去控制一个相应的电路。

遥控发射电路:

多通道无线遥控电路(F36-F/F36-J)

接收译码电路:

多通道无线遥控电路(F36-F/F36-J)

觉得这篇文章有帮助吗?