NB9017/9211红外线遥控照明灯电路

📅 发布时间:2013-09-27 09:45 👁️ 浏览:0 🏷️ 标签: 9017 9211 NB 红外线遥控

NB9017/9211红外线遥控照明灯电路

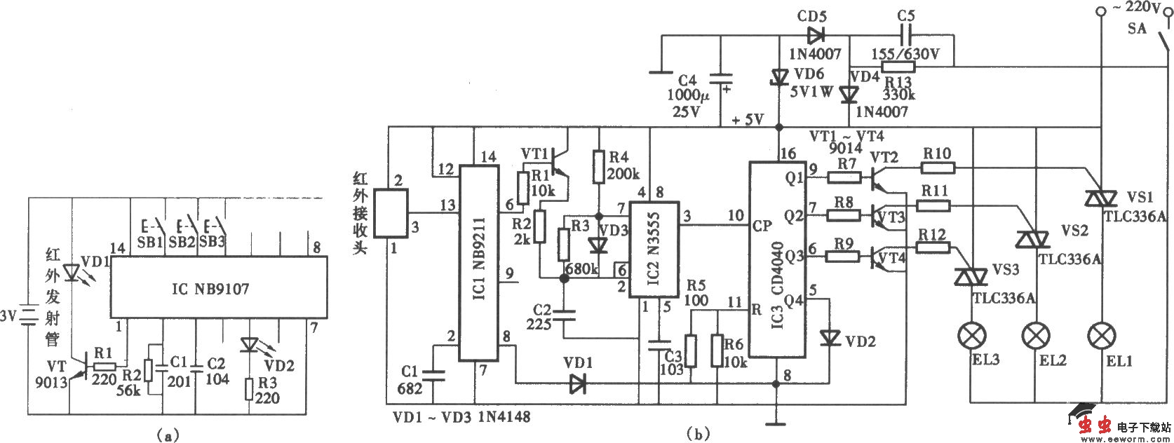
NB9017/9211红外线遥控照明灯电路 (a)发射器电路;(b)接收控制电路

觉得这篇文章有帮助吗?