18路红外遥控系统图

📅 发布时间:2013-09-26 22:00 👁️ 浏览:0 🏷️ 标签: 红外遥控系统

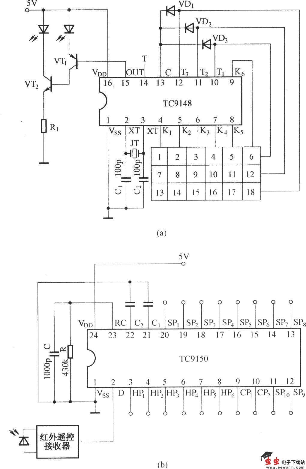
18路红外遥控系统图

(a)图由TC9148构成发射编码电路

(b)图由TC9150构成遥控接收译码电路.

觉得这篇文章有帮助吗?