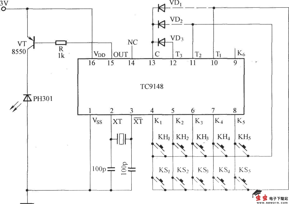
由TC9148组成的编码发射电路

📅 发布时间:2013-09-26 20:55 👁️ 浏览:0 🏷️ 标签: 9148 TC 编码 发射电路

TC91系列红外遥控编码集成电路是采用CMOS工艺制作的大规模集成电路,其中TC9148为红外发射编码电路.TC9149和TC9150为红外用空接收解码电路.

下图是由TC9148组成的编码发射电路:

由TC9148组成的编码发射电路

其编码脉冲示意图:

由TC9148组成的编码发射电路

觉得这篇文章有帮助吗?