简易的雷达扫描防盗系统

📅 发布时间:2013-09-26 13:50 👁️ 浏览:0 🏷️ 标签: 雷达 防盗系统

本装置具有体积小、重量轻、安装简便、无线遥控、防范面积大、感应距离随意可调、可靠性高等优点,且探测(扫描)与防盗系统电路互不相干。因此,也可按照需要改变防盗电路,把它用于迎宾、安全提示等实际生活中。

工作原理
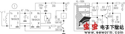
扫描电路如图1所示,它主要由雷达扫描、识别放大和指令执行三大部件组成。防盗电路如图2所示。扫描电路关键元器件IC1采用了雷达探测模块TWH9428,它利用微波振荡向周围发射高频电磁波(约1000MHz)。当雷达扫描在有效范围内收到活动目标时,空间的磁场将发生变化。此时微波信号立即反馈给TWH9428进行准确的检测。由于TWH9428检测后的输出电压还不足以推动终端负载工作,所以电路中又采用了IC2 TWH9429作进一步放大处理。为使指令执行电路有足够的电平变化,用一只高增益的晶体三极管进行功率放大,以驱动继电器J通电吸合,其触点去控制报警电路(见图2)。继电器一旦闭合,其触点j1闭合,防盗电路便处于工作状态,语音集成块IC3 HL-169A便会立即振荡工作,其{4}脚输出的音频信号经三极管放大,推动扬声器发出“抓贼啊”的连续报警声,直至活动目标离开扫描区域。

调试与使用
(1)本装置的天线T可用鞭状线或开口圆环线。(2)鞭状天线可用∮1.5~2mm铜线,长度为150~300mm。配用的电感可用∮0.6mm左右高强度漆包线在∮5mm磁棒上绕5~7圈。(3)开口圆环天线可用∮0.2mm铜线,长度为120~150mm。用圆环天线时可去掉电感线圈。(4)探测范围:调节RP,可使半径距离接近10米。(5)调节振荡电阻R4,可根据需要改变语音的快慢。(6)为使电路工作稳定可靠,应采用稳定电压。

简易的雷达扫描防盗系统 

觉得这篇文章有帮助吗?