超声波遥控探测器电路

📅 发布时间:2013-09-24 17:50 👁️ 浏览:0 🏷️ 标签: 超声波 探测器 电路 遥控

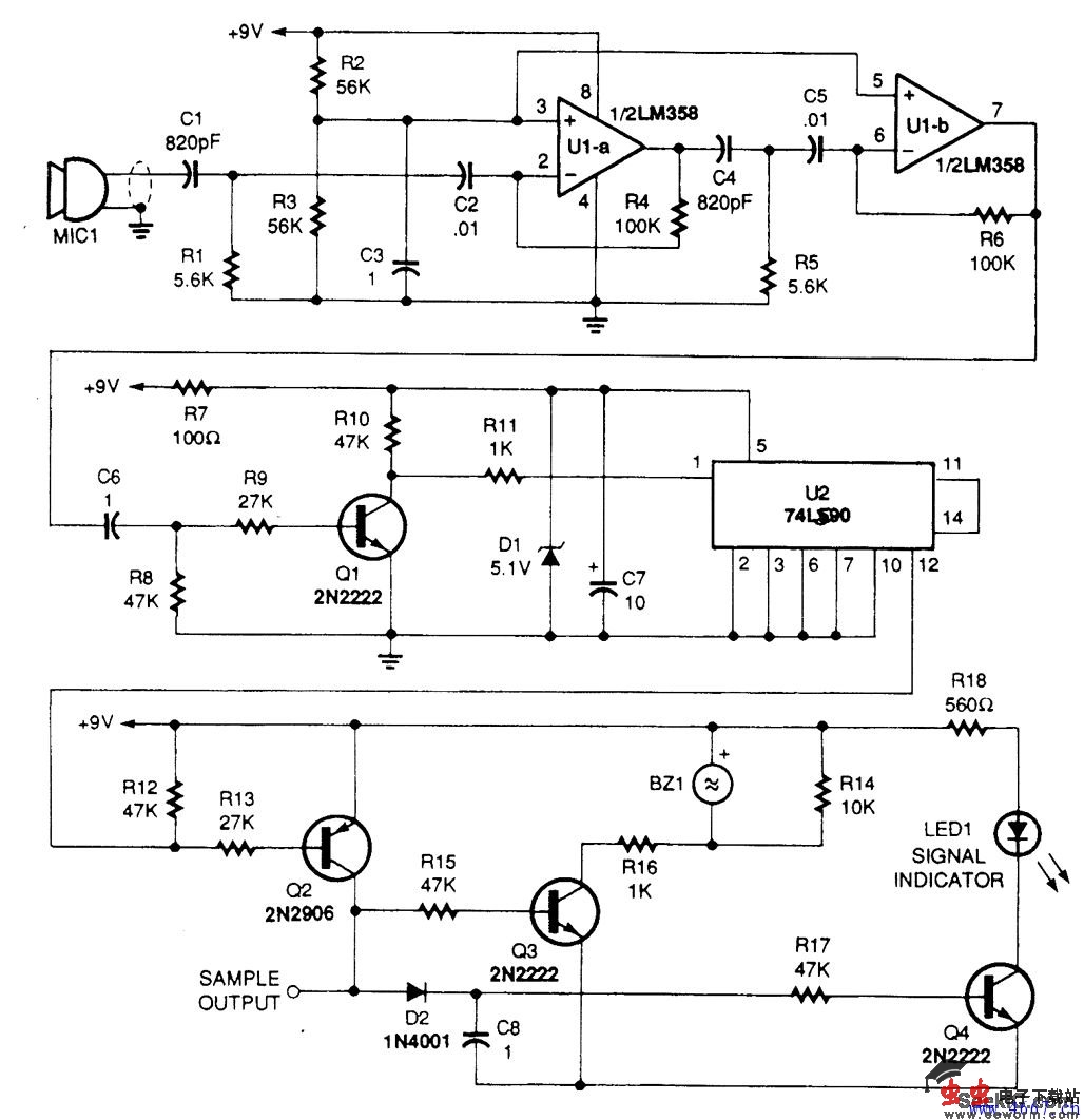
超声波遥控探测器电路

该电路通过MIC1获得超声波音频信号,然后将这些信号放大,并且在集成电路U2,一个74LS90电路中将其分开。U2的输出驱动一个音频放大器,同时利用一个压电元件作为扬声器。

觉得这篇文章有帮助吗?