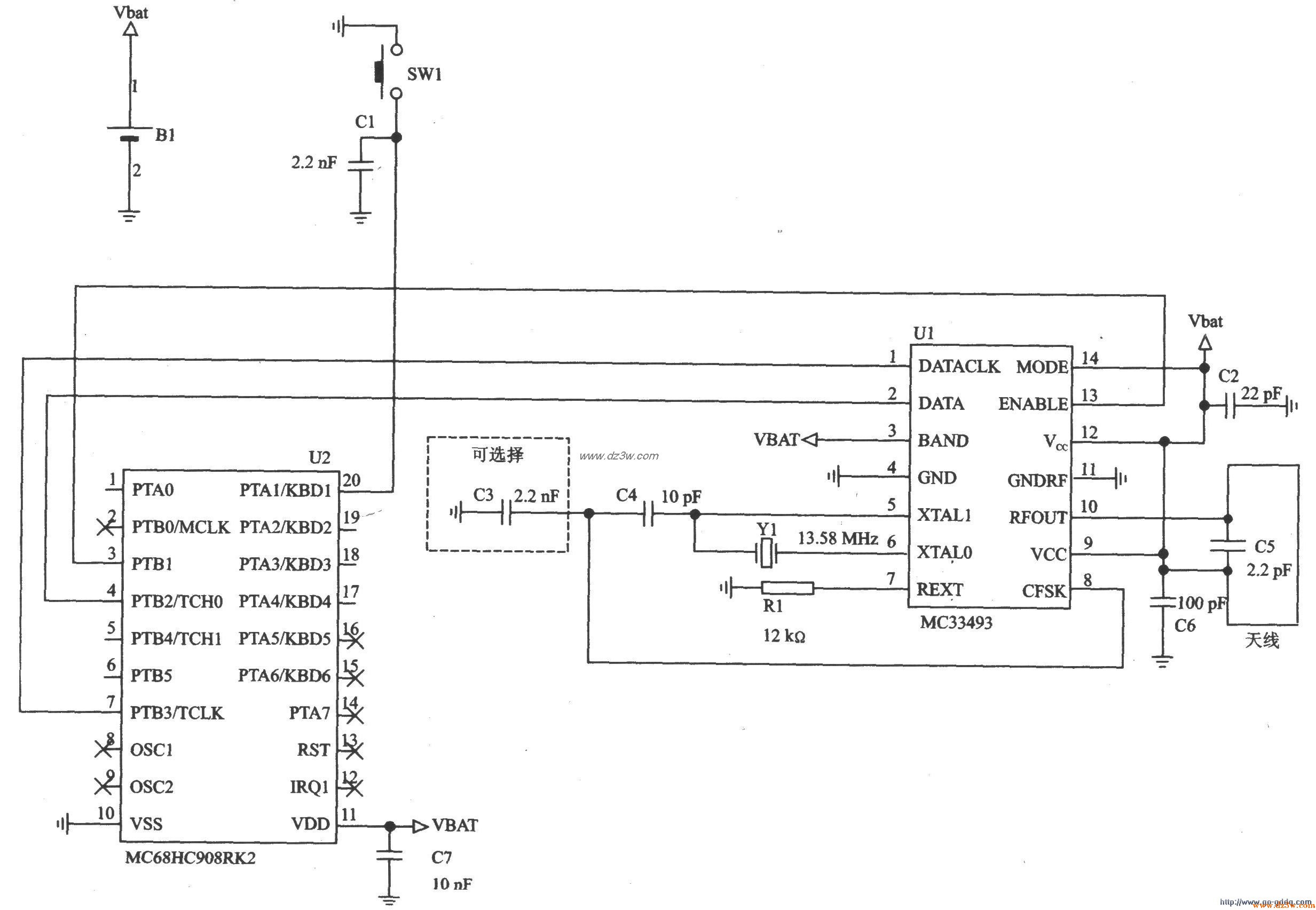
928~902MHz/434~315MHz OOK/FSK双频发射器MC33493/D应用电路
MC33493/D是符合ETSl标准的UHF发射器,适用于315~434 MHz和868~928 MHz频段的数据传输。
主要技术特点如下:
·完全集成的VC0;
·OOK/FSK调制方式;
·输出功率为-7~0 dBm可调(868 MHz频带,-40℃≤TA≤125℃);
·电源电压为l.9~3.6 V;
·最大工作电流为l5.1 mA,待机电流为0.1 nA(典型值);
·为微处理器提供数据同步脉冲输出;
·仅需要少量的外部元器件。

MC33493/D OOK 调制434 MHz频段应用电路

MC33493/D FSK 调制434 MHz频段应用电路
OOK/FSK双频发射器MC334
觉得这篇文章有帮助吗?