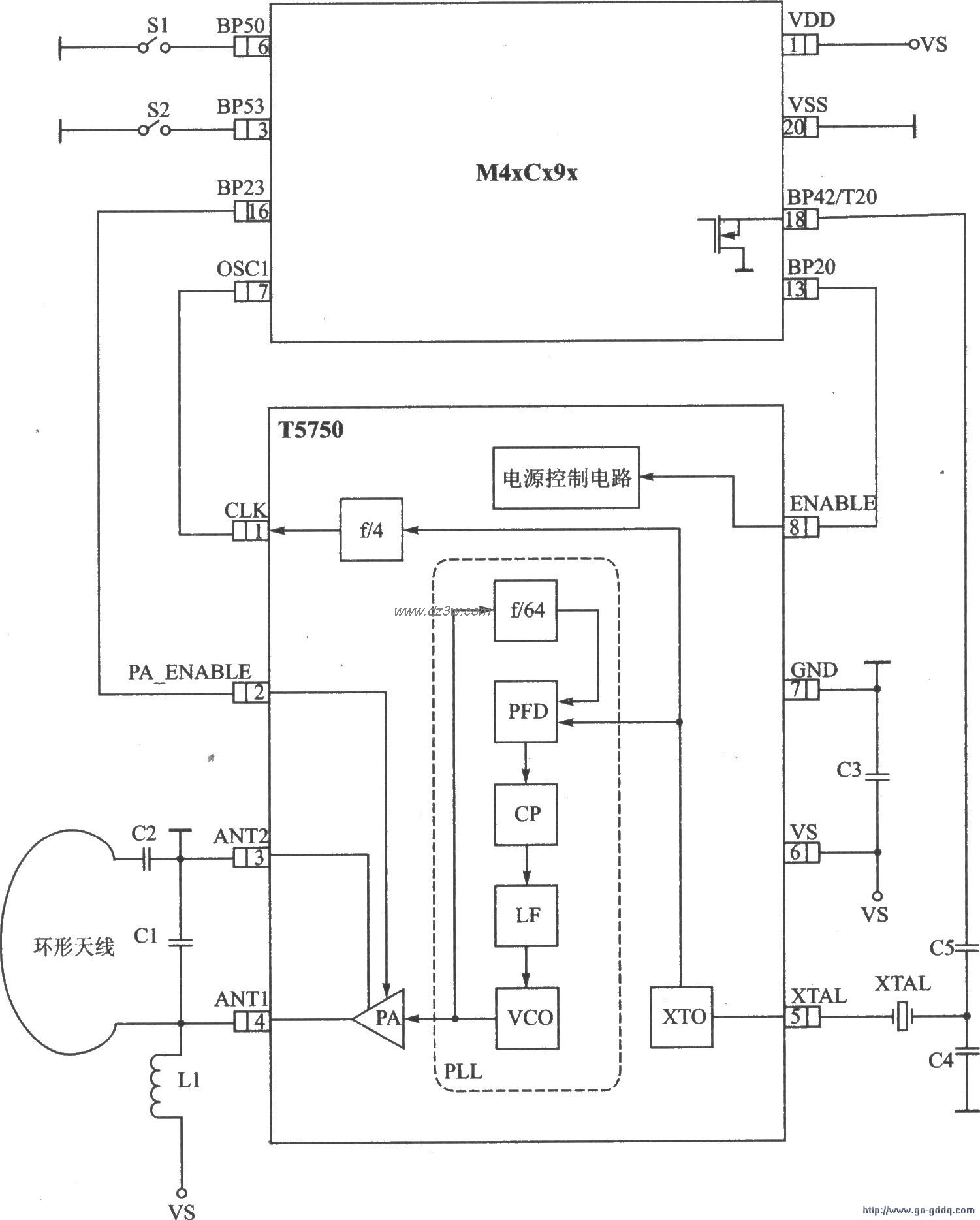
ASK/FSK发射器T5750应用电路图
T5750是采用PLL(锁相环)结构的单片廉价发射器。
主要技术特点如下:
·发射的频率为868~928 MHz;
·ASK/FSK调制方式;
·数据传输速率可达32 Kb/s;
·电源电压为2.O~4.0 V;
·工作电流为ll mA,低功耗模式电流为350 nA;
·输出功率为8 dBm(f=868.3 MHz,VS一3.0 V,Z(负载)=(166 j226)时);
·CLK输出端提供时钟给微控制器;
·单端天线输出。

T5750 ASK应用电路

T5750 FSK应用电路
ASK/FSK发射器T5750应用
觉得这篇文章有帮助吗?