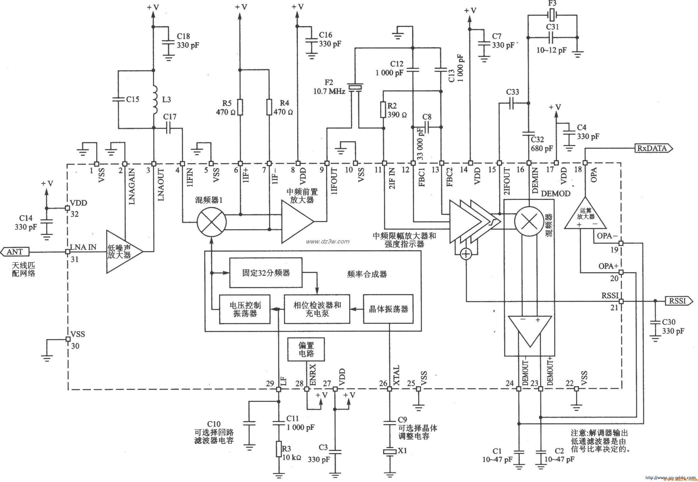
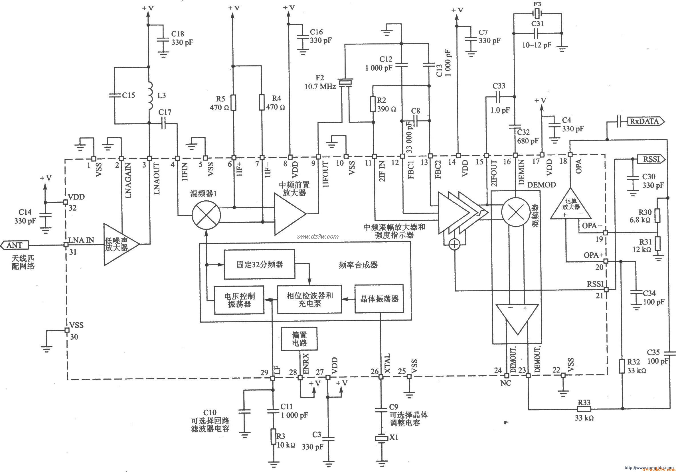
ASK/FSK/FM超外差式接收器RFRXD0920应用电路
rfRXD0920是一个超外差式无线电接收器,仅需要几个外部元件即可组成一个完整的接 收系统。rfRXD0920与rFPICTM和rfHCS系列射频发射器匹配,适用于无线远距离遥控、无线安全系统、遥控无键进入系统、低功率遥感/遥测、低功能调频接收、家庭自动操作和无线传感器等领域。
主要技术特点如下:
·接收频率为930~800 MHz;
·最大数据传输速率:ASK为80 Kb/s NRZ,FSK为40 Kb/s NRZ;
·灵敏度窄带:-l09 dBm(FSK),-l08 dBm(ASK);
·灵敏度宽带:-l02 dBm(FSK),-l04 dBm(ASK);
·中频为455 kHz~21.4 MHz;
·接收信号强度指示器指示范围为70 dB;
·分频为士5~土l20 kHz,最大调频调制频率为l5 kHz;
·电源电压为2.7~5.5 V;
·电源电流为9.2 mA(典型值),待机电流小于或等于l00 nA;
·可以与微处理器(MCU)和滚动码解调器接口。

rfRXD0920 ASK应用电路 
rfRXD0920 FSK 应用电路 
rfRXD0920 FM 应用电路
ASK/FSK/FM超外差式接收
觉得这篇文章有帮助吗?