直接序列扩频接收器RF2908特性及应用电路图
RF2908是专门为工作在ISM频段而设计的直接序列扩频(Direct-Sequence Spead-SpeCTRum)单片接收器,其符合FCC Part l5.247.标准,适合数字无绳电话、保密通信链接、无线局域网、货物跟踪和便携电池供电的移动设备等领域应用。
主要技术特点如下:
·工作频率为902~928 MHz;
·接收灵敏度为-l00 dBm;
·正交解调器;
·工作电源为2.7~3.6 V;
·工作电流为62 mA,待机模式电流为50μA;
·片内可编程86信道PLL频率合成器、基带滤波器和双数字比较器;
·片内可选择中频带宽、带增益控制和信号强度指示器的双中频放大器。

RF2908的 915 MHz应用电路图

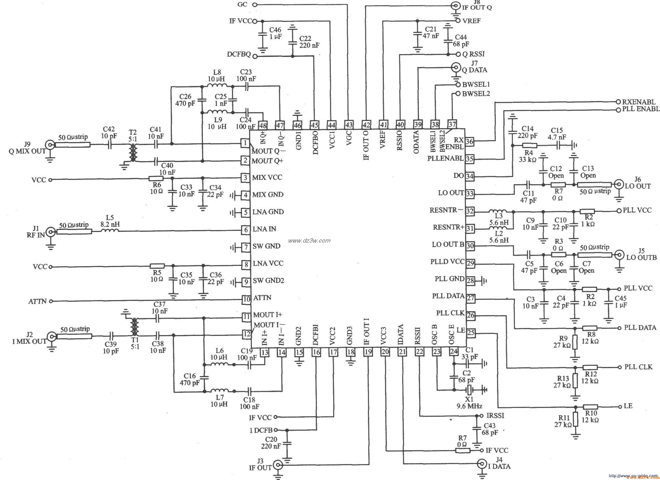
RF2908评估板电路图
直接序列扩频接收器RF29
觉得这篇文章有帮助吗?