40路医用无线呼叫系统电路

📅 发布时间:2013-10-08 06:40 👁️ 浏览:2 🏷️ 标签: 无线呼叫系统 电路

本电路图所用到的元器件:

PPT2272 PPT2262 T931A T932

这套40路医用无线呼叫系统的特点是无线编码、数码显示、指示灯记忆、音乐提示。

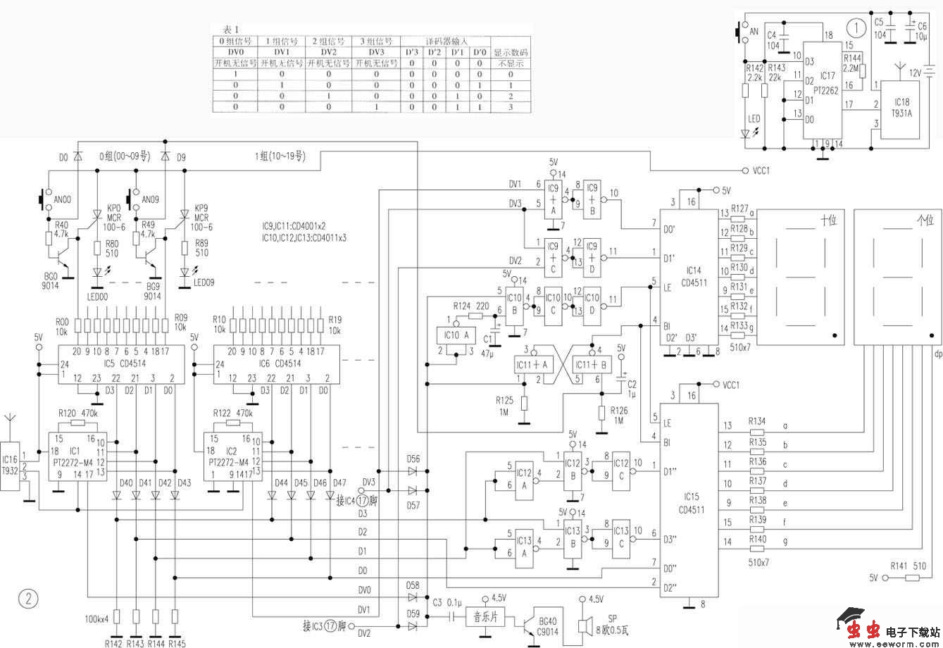
图1是编码发射电路之一,本系统共配置40个发射电路。图2是接收显示电路。我们将40个号码分成四组,即0组、1组、2组、3组(图2中只绘出0组和1组)。对于0组的十个号码00~09,编解码电路地址脚全部悬空,接收器接收到0组的某一发射器的信号时,由IC1解码、IC5译码,并点亮LED00~LED09中的相应指示灯作记忆。此时数码管十位显示0,而个位显示相应的数据码;对于第1组的十个号码10~19,编解码电路均为地址脚1接地,由IC2解码、IC6译码,LED10~LED19中的相应指示灯点亮记忆。此时数码管十位显示1,而个位则显示相应的数据码;依此类推,第2组的十个号码20~29,编解码电路地址脚2接地,数码管十位显示2;第3组的十个号码30~39,编解码电路地址脚3接地,数码管十位显示3。解码电路选用PT2272-M4,暂存型,以防数据叠加。四个解码电路IC1~IC4(其中IC3、IC4未绘出)的数据脚通过隔离二极管D40~D55(其中D48~D55未绘出)连在一起,经过数据处理电路送给IC15,驱动个位数据管显示。

下面以18号病床呼叫为例来说明工作过程。图1是18号编码发射器电路,当病员按动其AN时,该发射器的信号由IC16接收、解调、整形放大,然后输出到IC1~IC4的输入端脚,由于发射信号含有地址信息“1”和数据信息“8”,故只有IC2解码成功,输出相应的数据码信号和解码成功信号DV1。解码成功信号DV1通过译码处理电路IC9使数码管十位显示1,数据码信号一路经过隔离二极管D44~D47送到由IC12、IC13组成的处理电路,使个位显示8。另一路经过IC6译码,触发可控硅点亮18号指示灯LED18。

如果稍后另有一个病员呼叫,假如是35号,则数码管显示更新为35,但LED18仍然亮着,当医护人员处理完18号病员的事情时,按清除按钮AN18,LED18才熄灭。当两个病人同时呼叫时,IC16都接收,解调放大后输出的信号为叠加信号,但解码电路IC1~IC4都不能解码,数码管和指示灯显示均不变化。因此,本电路能避免由竞争而产生误码。

图2中的译码处理电路是先根据上述的设计思路列出真值表,再写出逻辑表达式而得来的。对于十位数码管,先列出真值表见表1,再根据表1写出如下的逻辑表达式:D′3=0,D′2=0,D′1=DV2+DV3=//(DV2+DV3),D′0=DV1+DV3=//(DV1+DV3)。

根据逻辑表达式可画出IC9构成的电路。

个位数码管前的处理电路也可用同样方法得到。需注意的是,在解码器IC5~IC8中,是用脚S10端代替脚S0端的,也就是说编码时用数据1010代替数据0000,这是因为在没有信号时,脚是高电平将触发可控硅导通造成LED00、LED10、LED20、LED30四个指示灯常亮而出现误码。

IC10、R124、C1的功能是将宽脉冲变为窄脉冲,以便IC14、IC15对数据接收并锁存。IC11与R125、R126、C2组成RS触发器,它的作用有三:一是上电时使数码管清屏(无呼叫不显示);二是护士处理完呼叫事后,按清除按钮,清除指示灯记忆的同时,还送一个正脉冲到RS触发器的置0端,使数码管清屏;三是当IC1~IC4其中之一输出解码成功信号时,由D56~D59组成的或门电路将输出一个正脉冲到RS触发器置1端,使IC14、IC15脱离清屏状态,数码管又正常显示。

R141的作用是点亮个位数码管小数点dp,作电源指示用。

编码电路为PT2262,解码电路为PT2272-M4,发射接收模块为T931A/T932,数码管为共阴数码管,12V电池为打火机专用电池,一般大商场有售。

[!--empirenews.page--]
觉得这篇文章有帮助吗?