由MAX4100/4101构成的视频/射频分配放大电路

📅 发布时间:2013-10-07 00:25 👁️ 浏览:3 🏷️ 标签: 4100 4101 MAX 视频

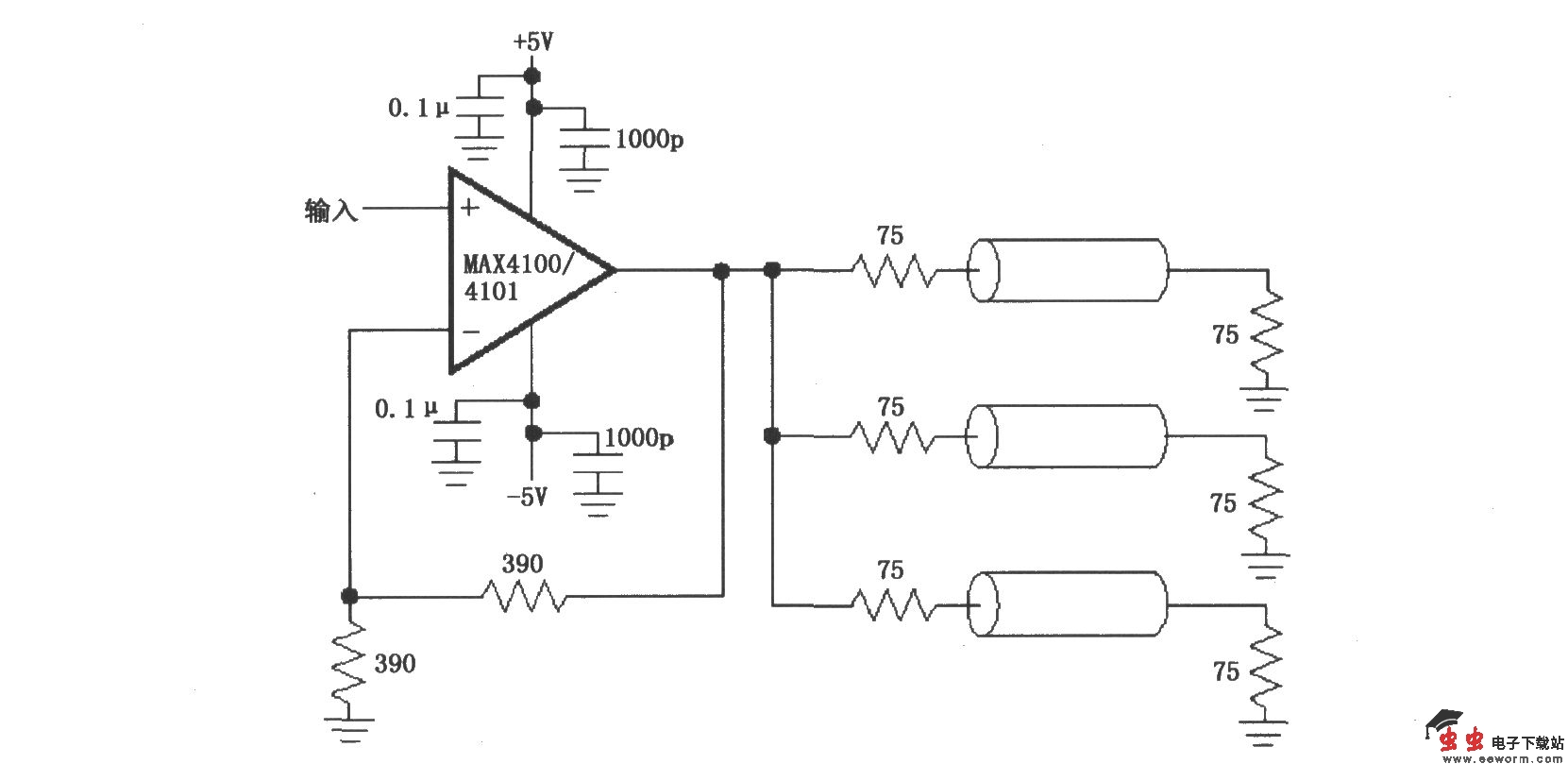
由MAX4100/4101构成的视频/射频分配放大电路

如图所示为由MAX4100/4101构成的视频/射频分配放大电路。信号输入MAX4100/4101,经过放大后输出。为了使传输过程反射最小,负载上获得最大功率,在输出端有三路电缆线采用75Ω电阻进行匹配,分别传输放大后的输出信号。

觉得这篇文章有帮助吗?