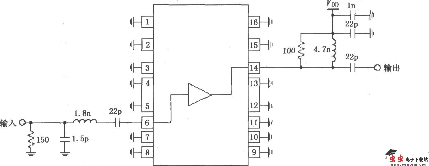
如图所示为由RF2320构成的1930~1990MHz窄带线性放大电路。射频信号(RF)由6脚输入,经过放大器放大后由14脚输出。6脚与内部放大器直接耦合,因此外加一个隔直耦合电容。通常,输入端门电压为0V,但外围偏置增加时门电压将会增大,这同时将增大电流,但是不会改进放大器的线性。14脚同时提供输出和内部偏置,在芯片内部没有隔直流电容,而该脚存在直流电压,因此采用22pF电容作为隔直流电容。输出匹配网络使放大器输出阻抗与之匹配,以获得最大输出功率和效率。

如图所示为由RF2320构成的1930~1990MHz窄带线性放大电路。射频信号(RF)由6脚输入,经过放大器放大后由14脚输出。6脚与内部放大器直接耦合,因此外加一个隔直耦合电容。通常,输入端门电压为0V,但外围偏置增加时门电压将会增大,这同时将增大电流,但是不会改进放大器的线性。14脚同时提供输出和内部偏置,在芯片内部没有隔直流电容,而该脚存在直流电压,因此采用22pF电容作为隔直流电容。输出匹配网络使放大器输出阻抗与之匹配,以获得最大输出功率和效率。
