
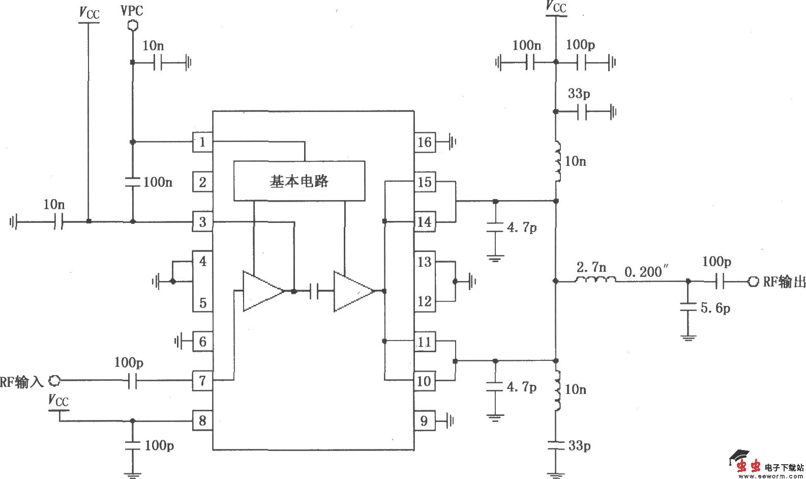
如图所示为RF2131在4.8V电源供电时的最佳效率功率放大电路。射频信号(RF)由7脚输入,经过前置放大器、末级功率放大器放大后由10、11脚和14、15脚输出。7脚与内部放大器是直接耦合,因此在7脚外加一个隔直耦合电容;7脚输入阻抗为50Ω,但是确切的阻抗值由3脚外接的内部级间匹配网络决定。输出端10、11、14、15脚在芯片内部已连接,通常将10、11、14脚与15脚在外部分别连接在一起作为信号输出,要注意对称,否则将造成电路不稳定。输出匹配网络使放大器输出阻抗与之匹配,以获得最大输出功率和效率;同时这些脚也作为末级功率放大器电源供电端,通过这些脚向末级功放提供偏置电流。1脚接功率控制脚(PC),可以控制该脚电压从而控制电源功率。在室温下,当电压为低电平时(0.5V或更低),放大器处于电源处于关断状态。