缓冲器的漏电电流测量电路(OPA111、INA117)

📅 发布时间:2013-10-05 21:25 👁️ 浏览:0 🏷️ 标签: OPA 111 INA 117

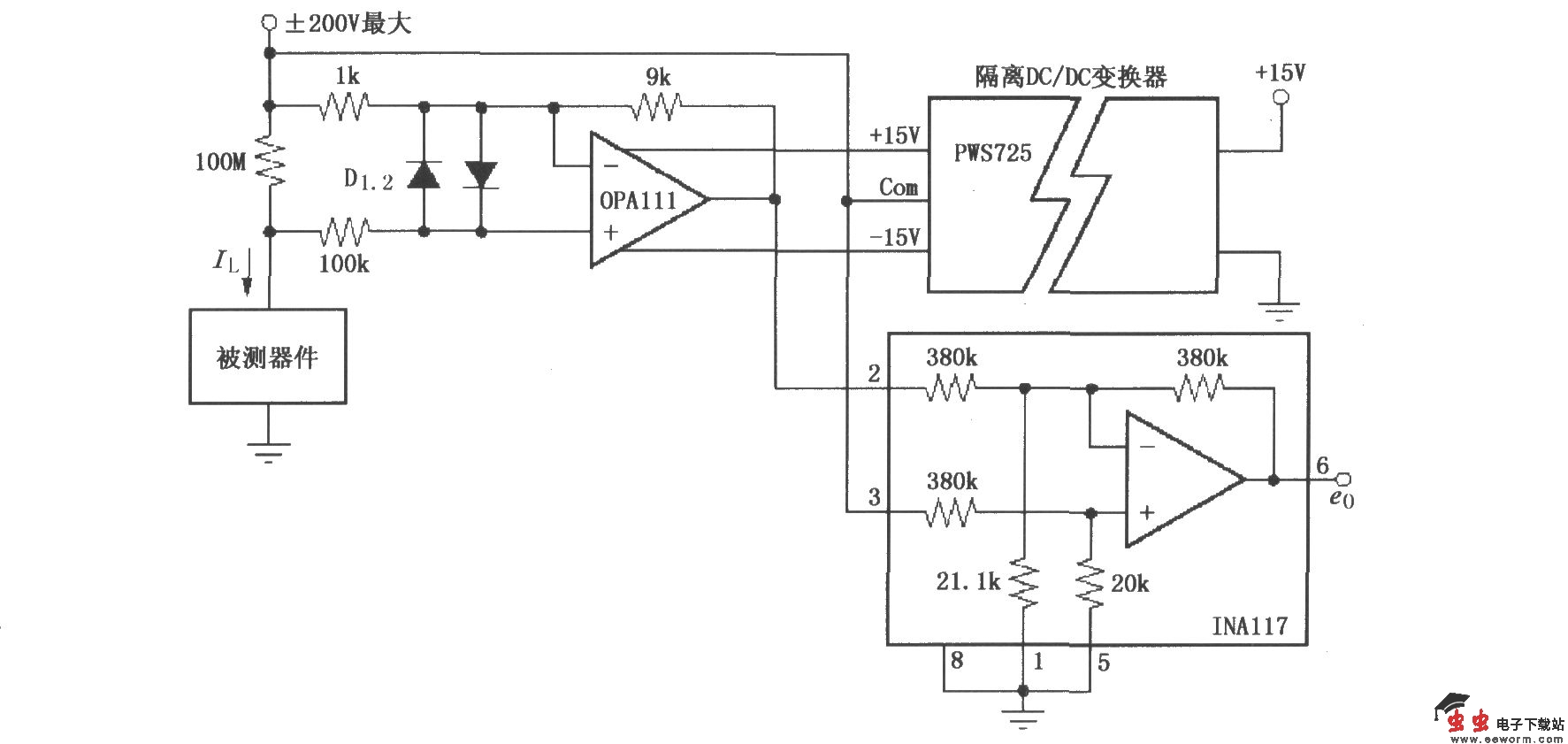
缓冲器的漏电电流测量电路(OPA111、INA117) 如图所示为由OPA111构成输入缓冲器的漏电电流测量电路。D1、D2为晶体管2N3904,将其基极与集电极短接(发射极开路)。最大为±200V的电源加到被测器件,漏电电流流过100MΩ取样电阻,在取样电阻上形成电压降,电压降经过缓冲器后输入到INA117放大后输出,输出电压eo=IL×109(1V/nA)。因为要测量低漏电电流,要防止测量电路分流造成测量误差,所以采用极高输入电阻的缓冲器构成测量电路。用一个隔离电源对运放OPA111供电,因此电路允许有±200V的共模范围。

觉得这篇文章有帮助吗?