激光传输演示装置适用于高中物理课程的教学演示,使激光这部分内容的讲授更加直观和形象。
工作原理:激光音频发射机的电原理图见下图。这是一个三级直接耦合放大电路,VT1、VT2为两级音频信号电压放大器,VT3为音频功率放大器,激光发射二极管VD串接在VT3的集电极电路中,它的工作状态始终与功率管VT3的工作状态保持一致。音频信号设有两种输入方式:一种是话筒B将声音转换成电信号,经C1耦合送人VT1的基极;另一种是将“随身听”或其他音源引出的音频信号接在线路输入端,由R9、R10分压后,经C4耦合到VT2的基极。图中,C2、R2、C6组成电源退耦电路,防止出现低频自激。

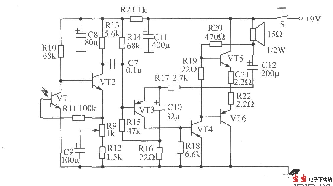
接收电路:

接收机接收的是经发射机激光发射管发出的已调制的激光束,激光束不是单纯的一束激光,而是与音频信号变化步调一致的振动的激光。光敏三极管VT就是将激光束中的音频信号解调出来。光敏三极管的基极面板经激光音频信号照射后,便会产生光电效应,相当于在光敏二极管的基极输入一个音频电信号:该音频信号经VT2、VT3低频电压放大后,由功放级的两只功率管VT5、VT6带动扬声器还原成声音。