
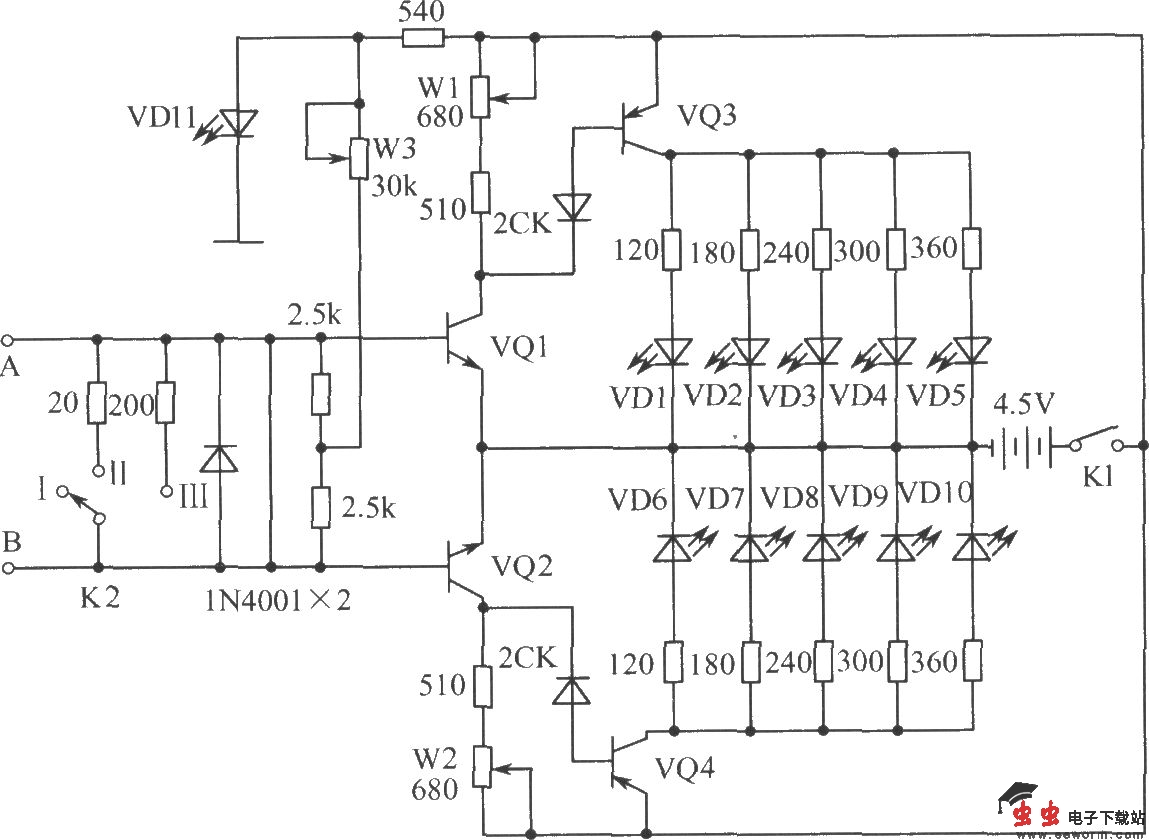
如图所示为LED显示的检流计电路。它可以在解决一些物理演示实验中的难题起较大的作用。A、B为待测电流输入端。晶体管VQ1、VQ3与VQ2、VQ4分别组成两侧的共发射极直耦式直流放大器,发光二极管VD1~VD5和VD6~VD10作为两个方向电流的显示元器件。当被测电流从输入端A流向B时,晶体管VQ2基极电位降低,工作电流下降,继而VQ4随之截止,发光二极管VD6~VD10无工作电流都不发光。而这时VQ1基极电位升高,使VQ1、VQ3处于放大状态,有足够的电流流过VQ3的集电极,发光二极管VD1~VD5导电发光显示。发光二极管的亮度和发光的个数与输入端流人的电流近似成比例。即输入电流小时,发光二极管发光的个数少且亮度也小;输入电流大时,显示发光的二极管的个数多且亮度大。输入电流从小到大变化时,发光次序为VD1,VD2~VD5,而且亮度对应地由小变大;输入电流从大到小变化时,发光二极管的亮度相应变暗直到熄灭,次序为VD5,VD4~VD1,比较生动、直观。当输入电流B流向A时,晶体管VQ1、VQ3的工作电流下降,发光二极管VD1~VD5不发光,而VQ3、VQ4处于放大状态,发光二极管VD6~VD10发光显示,其过程与前述过程相同。通过VQ1、VQ3、VD1~VD6与VQ2、VQ4、VD6~VD10这两侧对应地工作,鲜明地显示出被测电流的大小和方向。为满足演示实验需要,还设置了3个量程挡位可供选择,并有二极管过载保护。
元器件选择:晶体管VQ1与VQ2,VQ3与VQ4要求分别配对,即配对管的β值基本相同。VQ1、VQ2选NPN型小功率硅管3DG或3DK型,β在70~100之间;VQ3、VQ4要求ICM>50mA,PCM≥200mW,β在50~100之间的PNP型硅管如3CG23,3CK3等。发光二极管取市售Φ5mm的圆形普通(红色)发光二极管。其余元件规格如图所示。