收音机数字式频率显示器(C040、556)

📅 发布时间:2013-09-30 14:00 👁️ 浏览:1 🏷️ 标签: C040 556 收音机 数字式

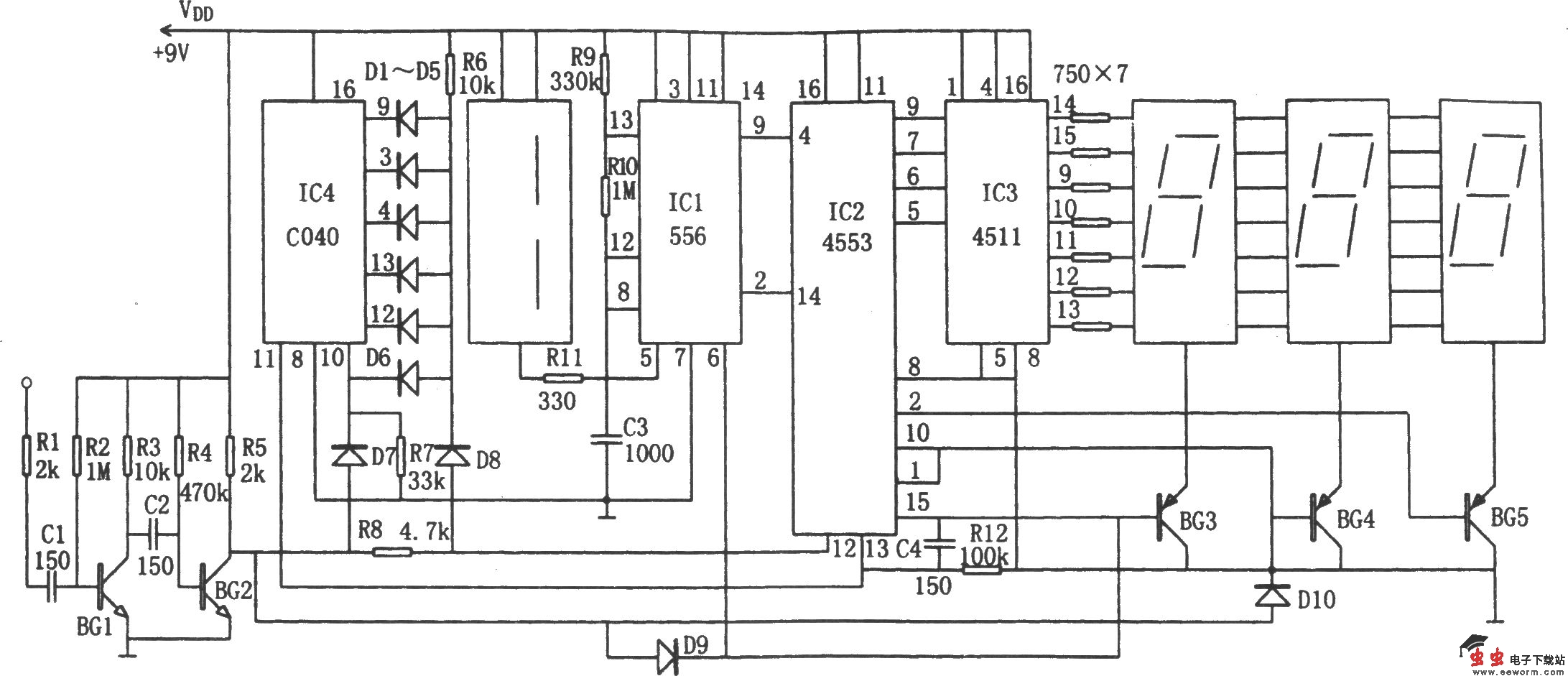
收音机数字式频率显示器(C040、556)

如图所示为收音机数字式频率显示电路。该电路由双时基电路556(IC1)、BCD码3位计数器IC2(MC4553)、12位二进制串行计数器/分频器IC4(C040)、BCD码七段锁存/译码/驱动器、4只发光数码管LED等组成。

觉得这篇文章有帮助吗?