
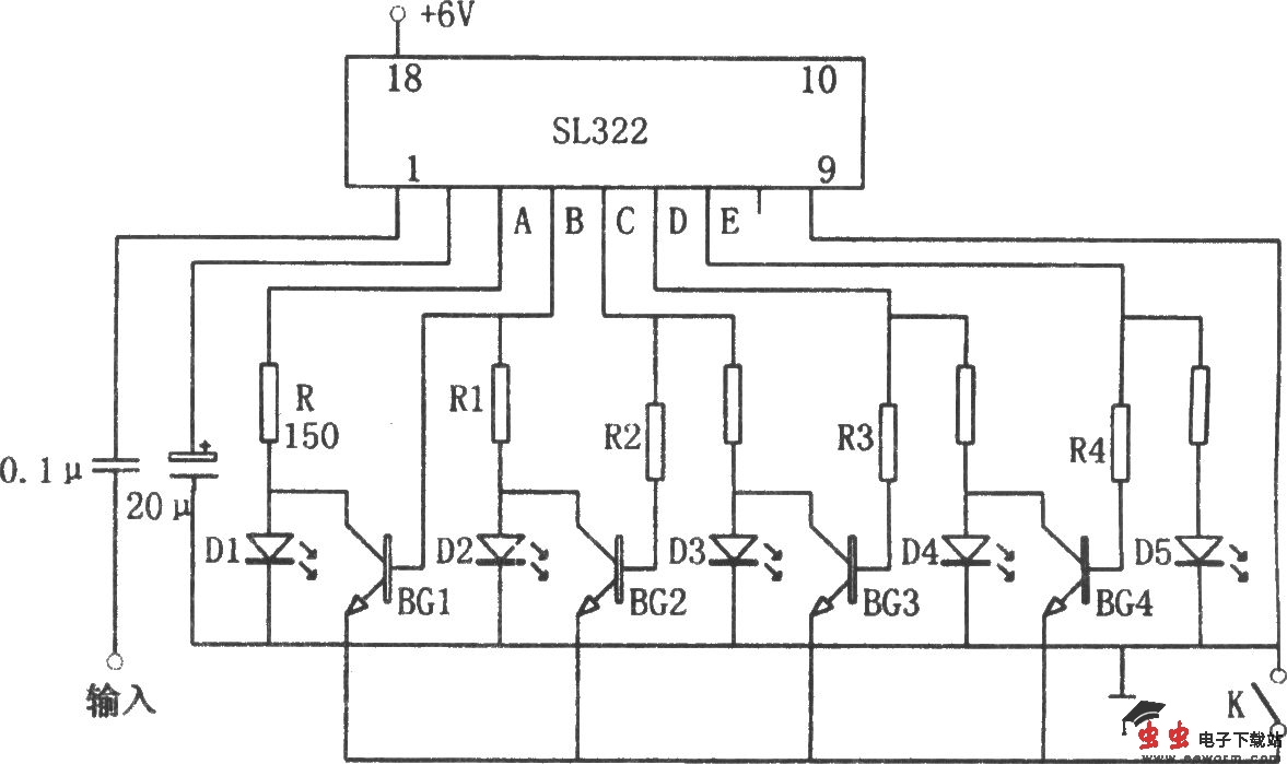
如图所示为可伸缩、光点显示的电平指示电路。该电路由发光显示驱动器SL322、发光二极管D1~D5、晶体管BG1~BG5等组成。
当K闭合时,所有三极管均发射极接地,当电平上升使D2发光管点亮时,B点电位上升,BG1导通,使D1发光管熄灭。当电位上升使D3点亮时,则C点电位上升,BG2导通,使D2熄灭。此时因B点电位不变,BG1仍不导通,D1仍不亮。最后当电平升至使D5点亮时,晶体管BG1~BG4全部导通,发光管D1~D4均熄灭,形成光电式显示。当开关K断开时,所有三极管均截止,不形成光电式显示。
在调试时,将信号发生器的音频信号注入功放级,使所有发光二极管都点亮,然后将R1~R4依次接上,使发光二极管D1~D4依次刚好熄灭即可。
电路中BG1~BG4均选用3AX型,且β>50。开关K为微型按钮开关。