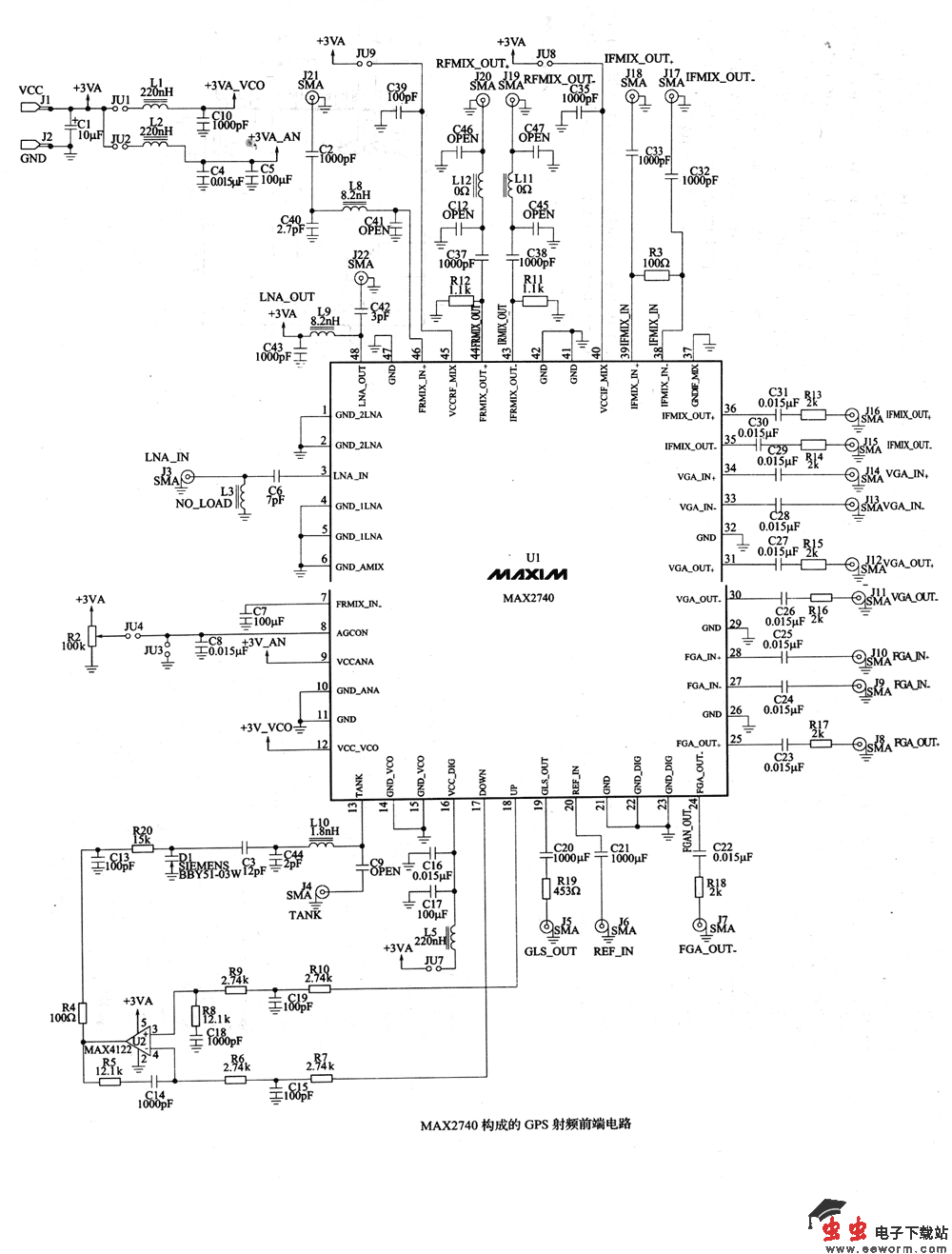
MAX2740是一个完整的GPS接收机下变频器芯片,完成从天线输出到数字输入的信号处理。MAX2740接收通道包含LNA、2级下变频器、可变增益放大器和固定增益放大器。芯片还包含有高性能的VCO和固定频率的合成器,提供芯片需要的所有LO(本机)振荡频率,仅需要极少的外部元器件。适合GPS/GLONASS接收机使用。 MAX2740具有大于100dB的接收增益和大于50dB AGC控制范围。利用2级下变换的超外差结构和外部的SAW(Surface Acoustic Wave,声表面波)滤波器,可以获得高水平的镜像抑制和阻寨性能。
