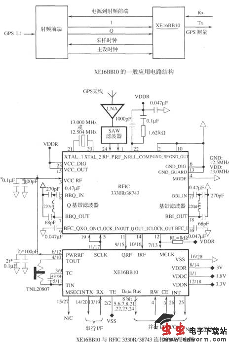
XEl6BBl0是基于先进的FirstGPSTM体系机构的XEl610芯片集的一部分。XEl6BBl0是增强型GPS信道相关器,其接收和解码来自ColossusTM射频集成电路的数字信号,输出GPS测量值到“导航平台”,在“导航平台”这些测量值用来计算位置、速度和/或时间,可并行跟踪GPS L1(1.575GHz)频率信号。 XEl6BBl0具有8路GPS信道,32个相关器;工作电压:VDDC(内核电压)为1.6V~2.0V, VDDR(射频集成电路电压)为2.7V~3.3V;具有极低功耗,在1.8V时内核电压<3mA,4种功率控制模式;通用异步接收发送串行接口,全双工异步,速率2.4kbaud、9.6kbaud、14.4kbaud、19.2kbaud、28.8kbaud、38.4kbaud、57.6kbaud、115.2kbaud。芯片采用S016NB封装或TSSOP28封装;工作温度范围-40℃--85℃。 XEl6BBl0可在膝上型电脑、个人数字助理(PDA)和掌上电脑、休闲和运动的GPS接收机、财产管理和跟踪、汽车、手机等中应用。
