RF2915/RF2945 FSK/ASK/ OOK 915/868/433 MHz收发器

📅 发布时间:2013-09-29 20:35 👁️ 浏览:0 🏷️ 标签: RF 2915 2945 FSK

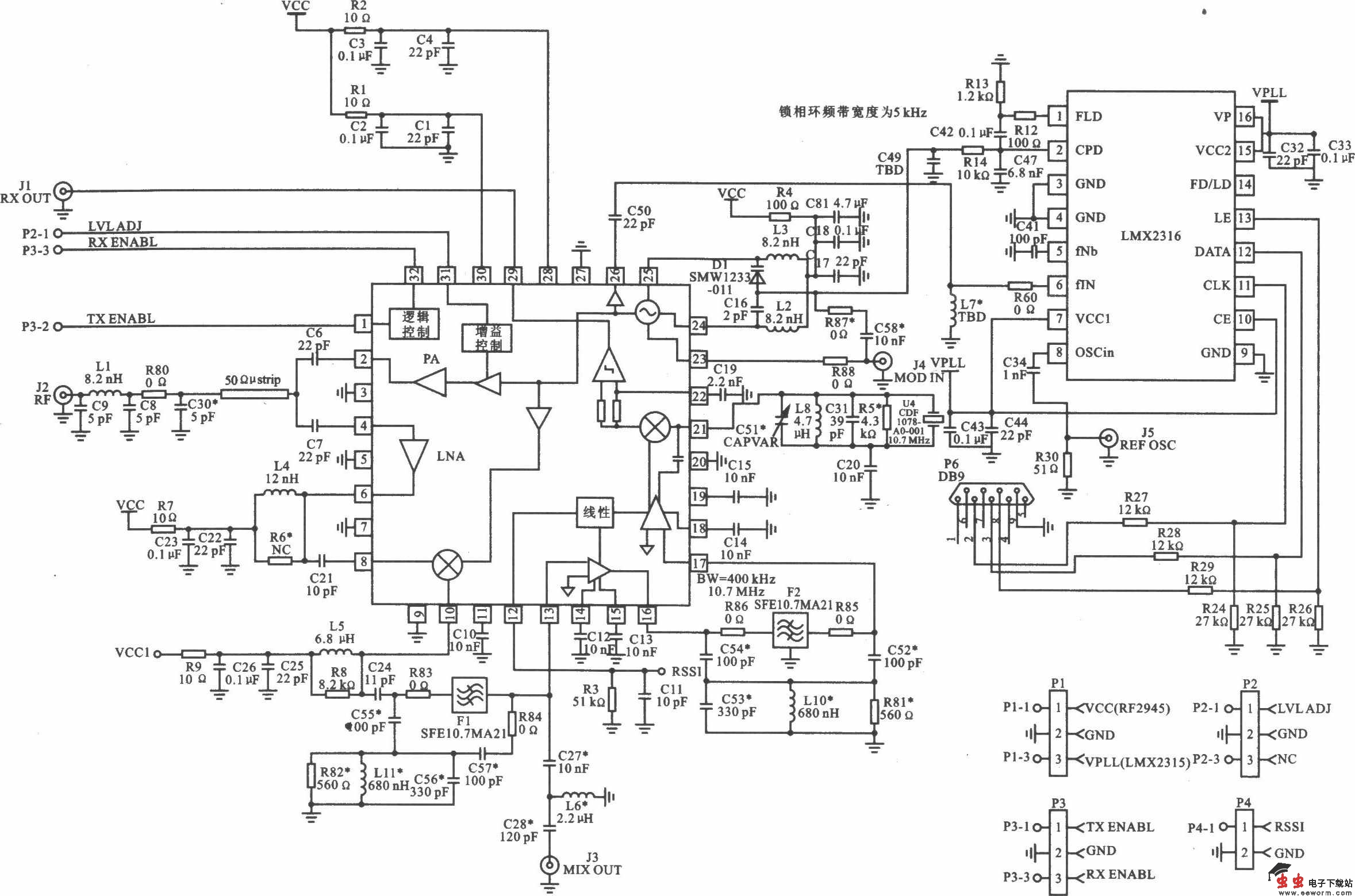
RF2915/RF2945是可方便地嵌入到各种测量和控制系统中的收发器。它仅需外接少量的元器件,即可构成一个完整的射频收发器系统。RF2915/RF2945适合在仪器仪表数据采集系统、无线抄表系统、无线数据通信系统和计算机遥测/遥控系统中应用。 主要技术特点如下: ’ ·工作在433/868/915 MHz ISM频段; ·FSK/ASK/OOK调制和解调方式: ·采用PLL频率合成技术; ·灵敏度高达-99 dBm; ·最大发射功率达 8.5 dBm; ·工作电压为2.7~5.0 V; ·发射模式电流消耗为4.8~27.4 mA,接收模式电流消耗为4. 4~6.8 mA,低功耗模电流消耗仅为lμA; ·可直接与微控制器接口。

RF2915/RF2945 FSK/ASK/ OOK 915/868/433 MHz收发器 

RF2915/RF2945工作在915 MHz的评估板电路原理示意图

觉得这篇文章有帮助吗?