MICRF501 300~500 MHz收发器

📅 发布时间:2013-09-29 20:10 👁️ 浏览:2 🏷️ 标签: MICRF 501 300 500

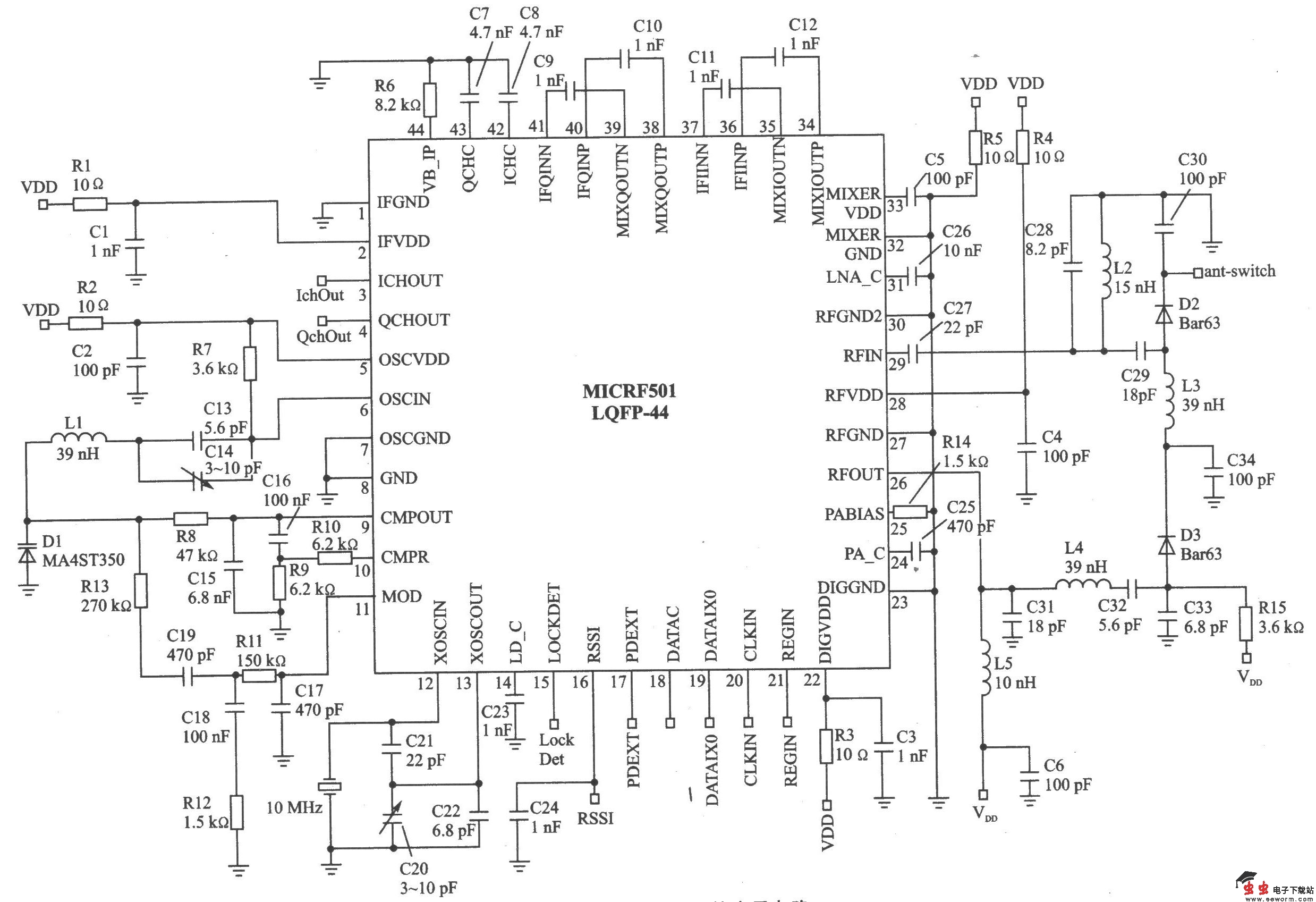
MICRF501是一款用于ISM(工业、科学和医药)和SRDC(短距离设备)的专用发射和接收芯片。它可以应用在遥测、远距离测试仪表、无线控制、无线数据中继、无线控制系统、无线调制/解调器和无线安全系统中。 , 主要技术特点如下: ·工作频率为300~500 MHz; ·FSK(频移键控)调制/解调方式; ·数据传输速率达l28 Kb/s; ·RF输出功率为 10 dBm; ·灵敏度(19.2 Kb/s,BER-10-3)为-l05 dBm; ·电源电压为2.5~3.4 V; ·环境温度为-40~85℃。

MICRF501 300~500 MHz收发器 

MICRF501的应用电路 MICRF501应用电路元器件参数

MICRF501 300~500 MHz收发器 

觉得这篇文章有帮助吗?