WE2408 FM/FSK 2.4 GHz收发器

📅 发布时间:2013-09-29 18:55 👁️ 浏览:0 🏷️ 标签: 2408 2.4 FSK GHz

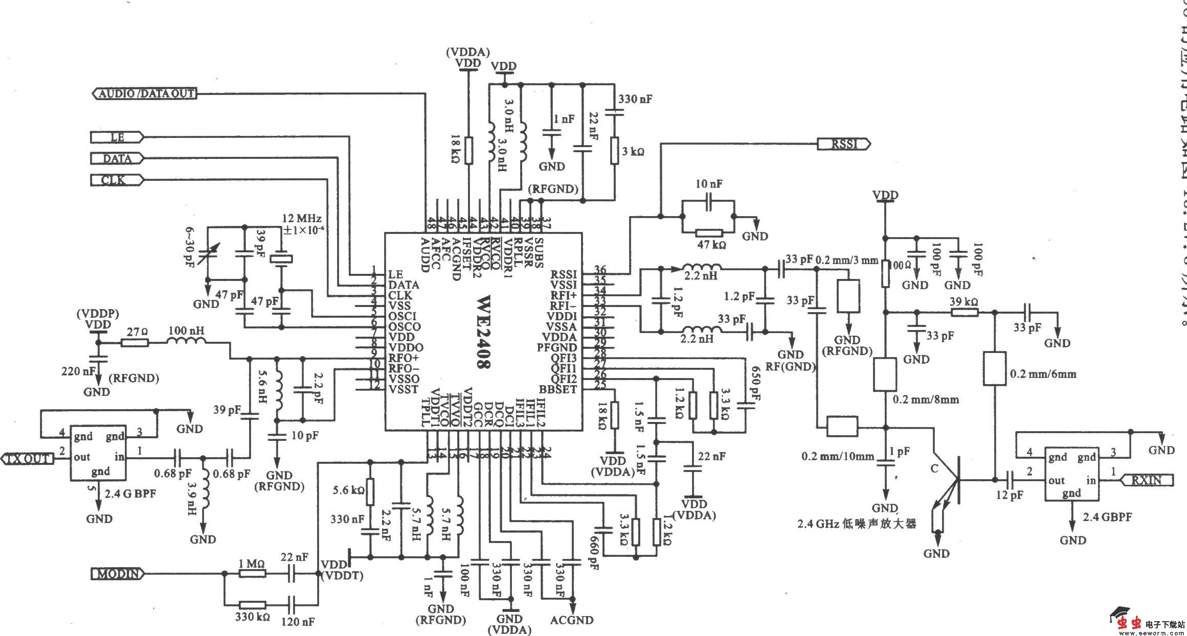
WE2408是一款直接转换零一中频(zero-IF)接收结构收发器。在整个射频调谐范围内,允许全双工通信或半双工发射/接收操作。调谐、电源管理和增益控制功能通过标准的3线串行接口实现。WE2408适合在2.4 GHz手机、2.4 GHz无绳电话、遥感探测和ISM波段无线声音/数据传输等产品中应用。 主要技术特点如下: ·工作在2.4~2.4835 GHz ISM频段; ·FM/FSK调制/解调方式; ·发射器输出功率为-3.0 dBm; ·接收器灵敏度为-95 dBm(12 dB信躁失真比); ·电源电压为2.7~3.3 V; ·电源总电流为76 mA(接收 发射,典型值),待机电流为5 vA.

 

WE2408的应用电路

觉得这篇文章有帮助吗?