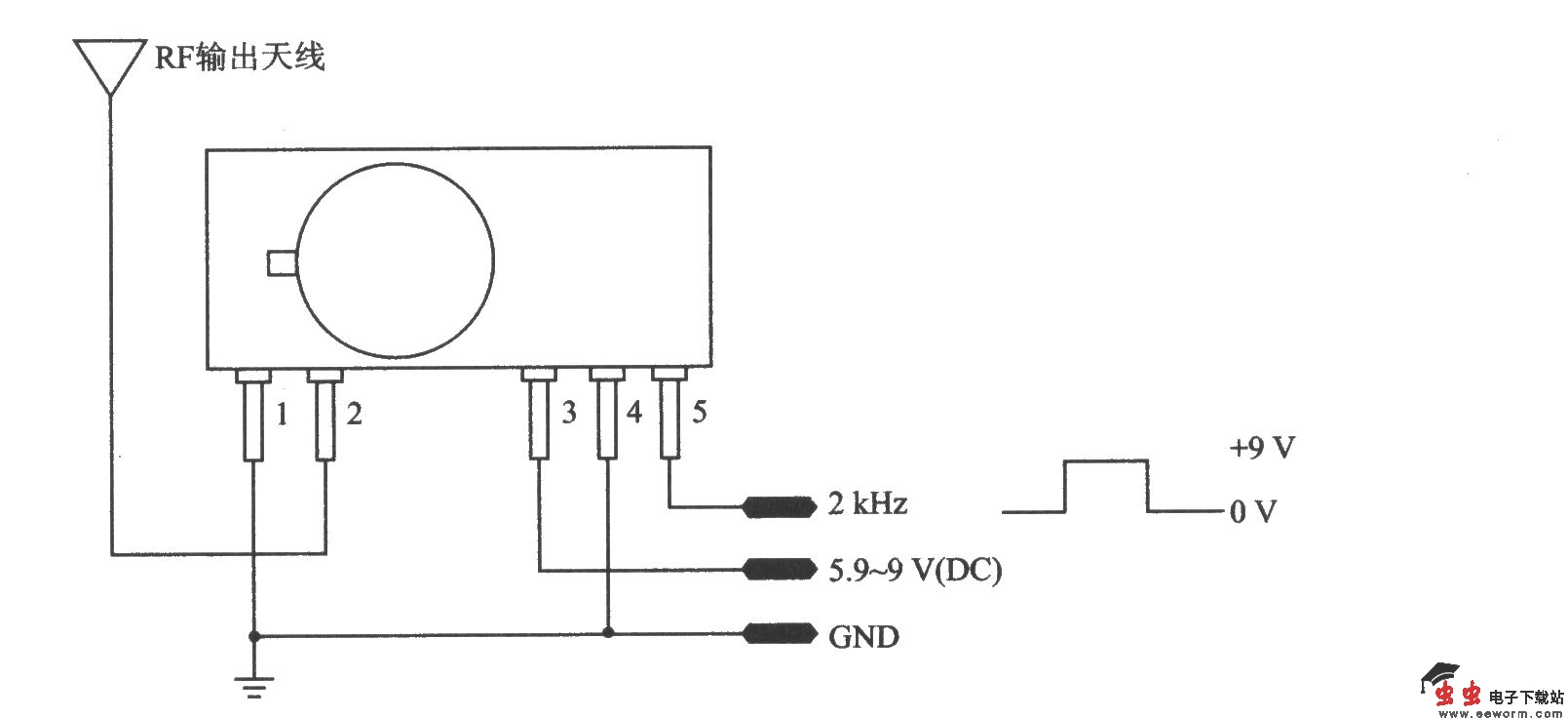
TXM-433/418 MHz-RM系列是基于SAW的发射器模块。它与RM系列接收器配套使用,传输模拟和数字信号的距离超过152.5 m(500 ft)。RM系列模块不需要调谐或调节,也不需要外部RF元件(除天线外)。它适合远距离监控、工业过程监测、定期数据转移、照明控制、安全/火警报和遥控等领域的应用。 主要技术特点如下: ·直接模拟或数字输入; ·数据速率大于10 Kb/s; ·电源电压为5.9~9 V; ·工作电流为6 mA。
LINX TXM-433/418 MHz-RM的应用电路
TXM-433/418 MHz-RM系列是基于SAW的发射器模块。它与RM系列接收器配套使用,传输模拟和数字信号的距离超过152.5 m(500 ft)。RM系列模块不需要调谐或调节,也不需要外部RF元件(除天线外)。它适合远距离监控、工业过程监测、定期数据转移、照明控制、安全/火警报和遥控等领域的应用。 主要技术特点如下: ·直接模拟或数字输入; ·数据速率大于10 Kb/s; ·电源电压为5.9~9 V; ·工作电流为6 mA。
LINX TXM-433/418 MHz-RM的应用电路