TXE-433/418/315 MHz—KH系列带编码器的发射器模块

📅 发布时间:2013-09-29 17:20 👁️ 浏览:0 🏷️ 标签: TXE 433 418 315

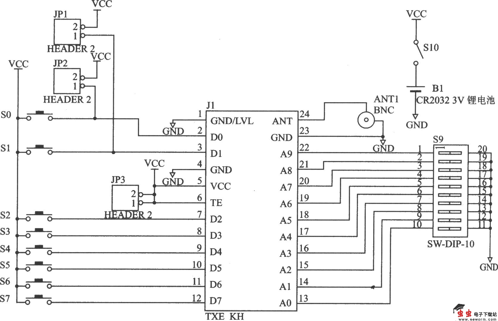
4.25 TXE-433/418/315 MHz—KH系列带编码器的发射器模块 TXE-433/418/315 MHz—KH系列是射频编码发射器模块,包含有一个高性能的射频发射器芯片和一个编码器芯片。它与KH系列译码接收器模块组合使用,可形成一个高可靠的无线连接,能够发送l~8的并行输入状态;地址编码为310组;传输距离超过91.5 m(300 ft)。与其配套的译码接收器有RXD-315-KH(315 MHz)、RXD-418-KH(418 MHz)和RXD-433-KH(433 MHz)。 KH系列射频编码发射器适用于远距离遥控、无钥匙进入系统、车库门的开启、照明控制系统、火灾安全报警和工业的自动化控制等系统。 主要技术特点如下: ·除了天线以外,不需要其他的外部射频元件; ·最大输出功率为 4 dBm; ·发射数据长度为26位×3; ·工作电压为2.7~5.2 V; ·工作电流为l.5 mA,睡眠模式电流为lμA。

 

KH系列射频编码发射器应用电路

觉得这篇文章有帮助吗?