RF2516 AM/ASK/OOK 433/315 MHz发射器

📅 发布时间:2013-09-29 15:05 👁️ 浏览:0 🏷️ 标签: 2516 433 315 ASK

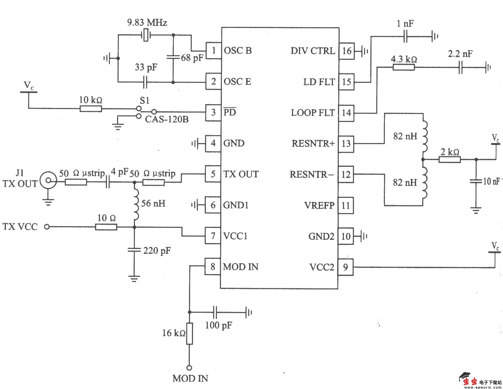
RF2516是一款带有锁相环的低成本发射器芯片。 主要技术特点如下: ·工作频率为l00~500 MHz: ·AM/ASK调制; ·有低功耗模式和自动闭锁功能,当PLL失锁时,发射器的输出无效; ·电源电压为2.25~3.6 V; ·输出功率为 10 dBm(50Ω负载); ·工作电流为l0.5 mA,低功耗模式电流为1μA

RF2516的315 MHz应用电路

觉得这篇文章有帮助吗?