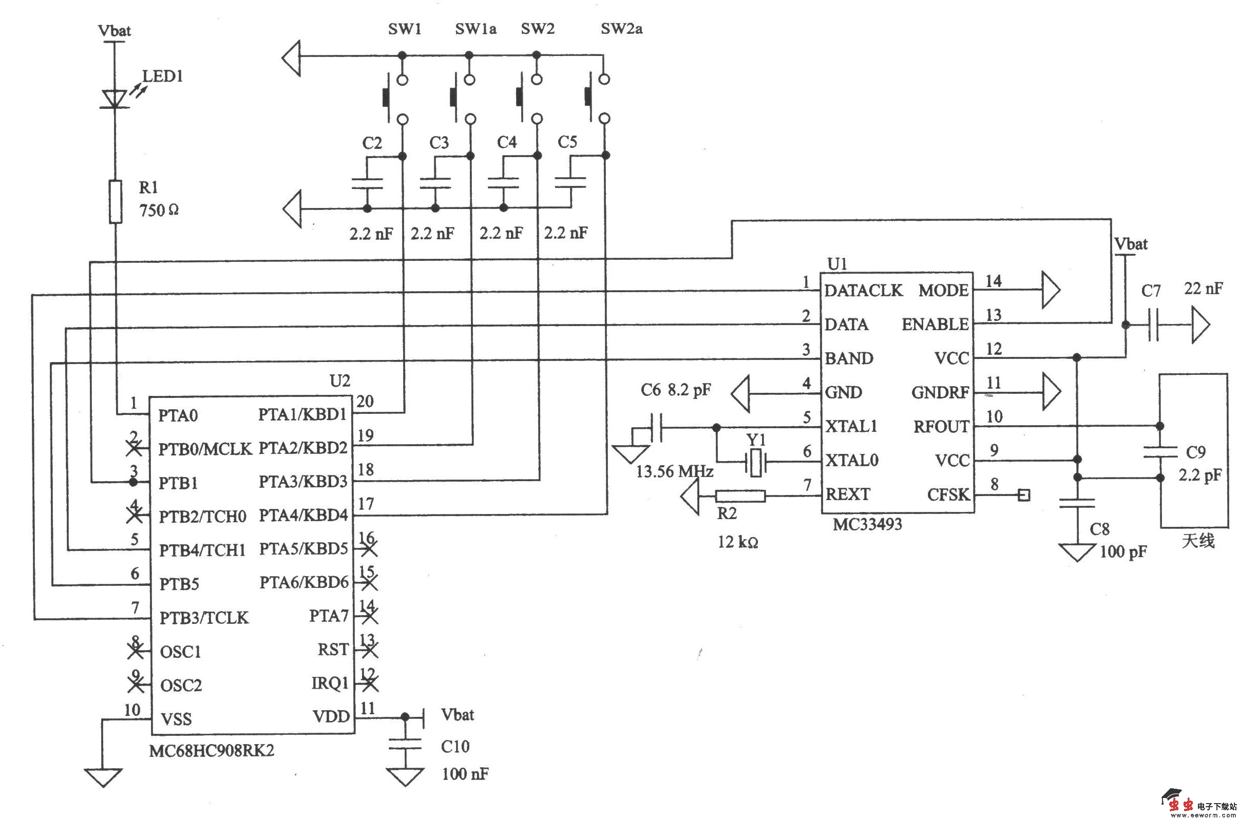
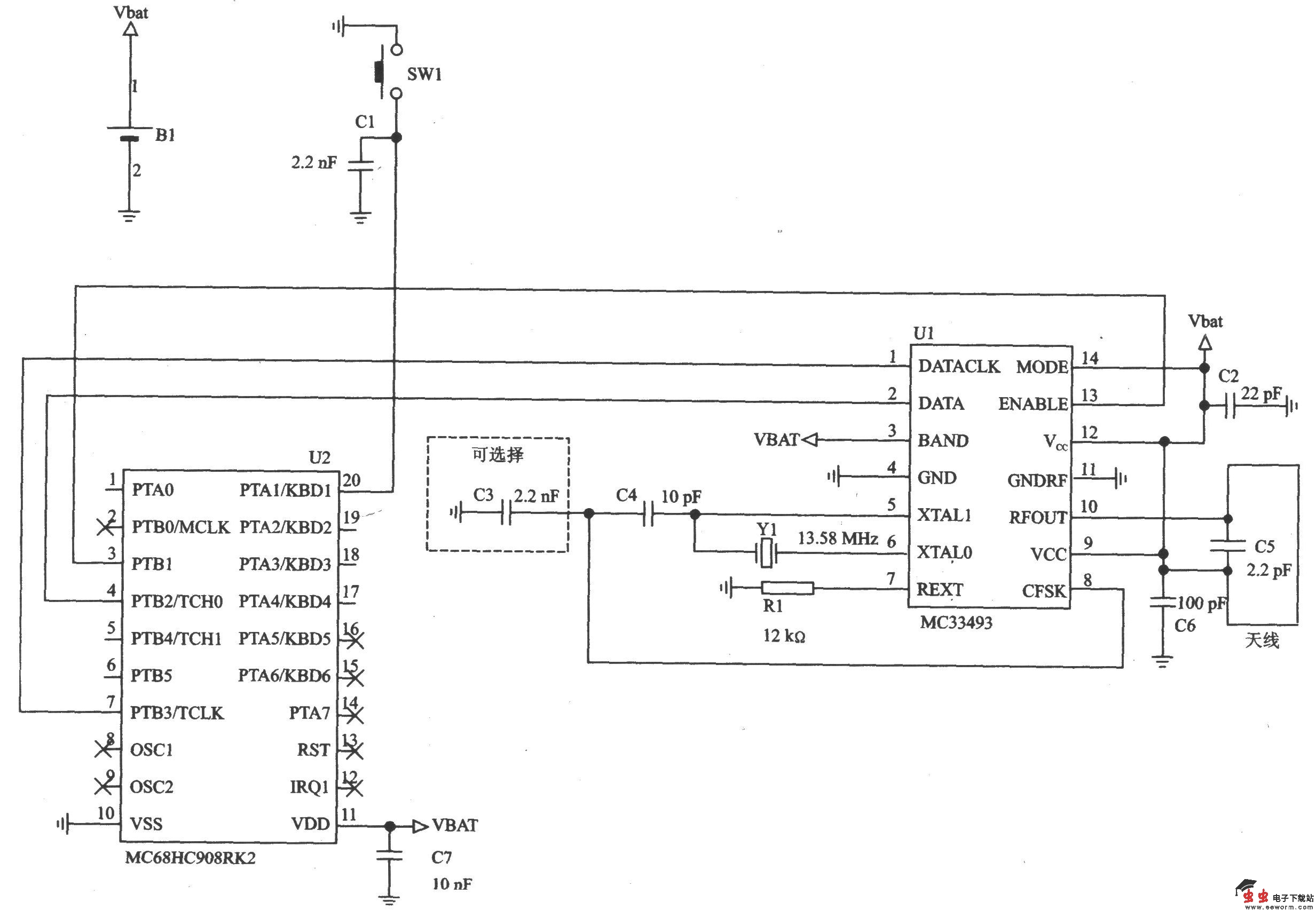
MC33493/D OOK/FSK 928~902 MHz/434~315 MHz双频发射器

📅 发布时间:2013-09-29 14:40 👁️ 浏览:0 🏷️ 标签: MHz 33493 315 FSK

MC33493/D是符合ETSl标准的UHF发射器,适用于315~434 MHz和868~928 MHz频段的数据传输。 主要技术特点如下: ·完全集成的VC0; , ·OOK/FSK调制方式; . ·输出功率为-7~0 dBm可调(868 MHz频带,-40℃≤TA≤125℃); ·电源电压为l.9~3.6 V; ·最大工作电流为l5.1 mA,待机电流为0.1 nA(典型值); ·为微处理器提供数据同步脉冲输出; ·仅需要少量的外部元器件。

 

MC33493/D OOK 调制434 MHz频段应用电路

 

MC33493/D FSK 调制434 MHz频段应用电路

觉得这篇文章有帮助吗?