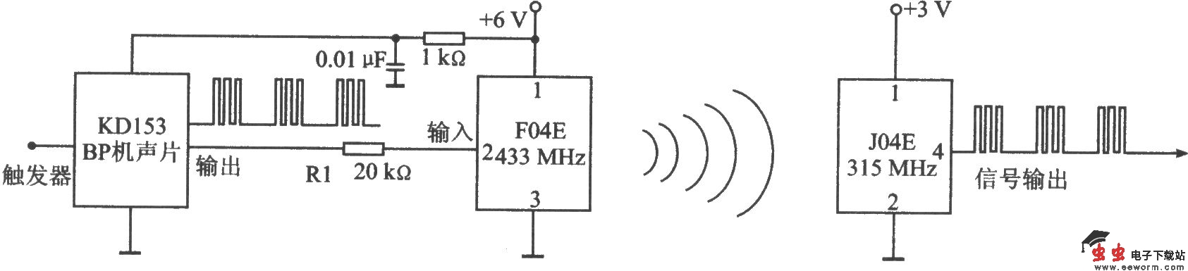
F04E/B/C是采用SMT工艺,树脂封装,特小体积,极低功耗的射频发射器模块。F04E/B/CE射器设置在无信号时输出端为零电平工作方式。其调制信号采用输出脉冲信号,利用间断脉冲调制使发射处于极低功耗状态,达到能长期连续工作的技术要求。F04E/B/C适合要求体积特小、短距离发射的产品应用,如低成本遥控报警器及各种遥控玩具等。 主要技术特点如下: ·工作电压为3~12 V; ·发射电流为3~10 mA,待机电流为0.2 mA; ·发射频率:F04B/C为315 MHz,F04E为433 MHz; ·频率稳定度:F04C为10-4,F04E/B为10-3; ·发射功率:F048/C为10 mW,发射距离约50 m;F04E为5 mW,发射半径约l0 m。
F04 E的应用电路

F04B应用电路及配套接收电路