F05A/B/C系列AM 433/315 MHz射频发射器模块

📅 发布时间:2013-09-29 13:30 👁️ 浏览:2 🏷️ 标签: 433 315 MHz 05

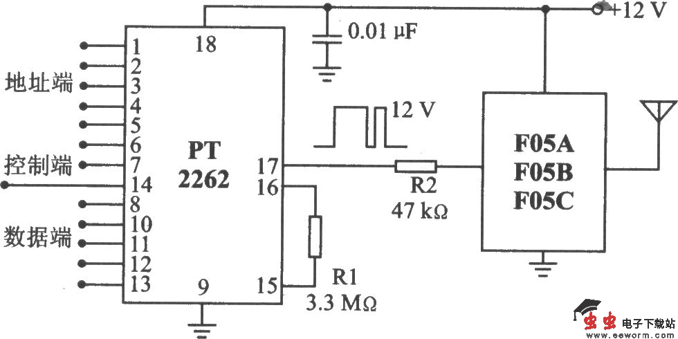
F05A/B/C系列模块是采用声表谐振器稳频的射频发射模块。F05C为改进型,体积更小,内含隔离调制电路,可以消除输入信号对射频电路的影响。F05A/B/C系列模块采用SMT树脂封装,频率一致性较好,免调试,特别适合多发一收无线遥控及数据传输系统。 主要技术特点如下; ·工作频率为433/315 MHz; ·AM调制方式,频差为±150 kHz; ·传输速率小于10 Kb/s; “ ·工作电压为3~12 V; ·工作电流为2~10 mA; ·输出功率为l0 mW; ·高电乎脉冲宽度在0.O8~1 ms时发射效果较好; ·天线长度可在0~250 mm范围内选用,无天线时发射效率下降; ·最大发射距离约250 m(用PT2262编码器加240 mm小拉杆天线,在开阔区)。

 

F05A/B/C系列模块的应用电路

觉得这篇文章有帮助吗?