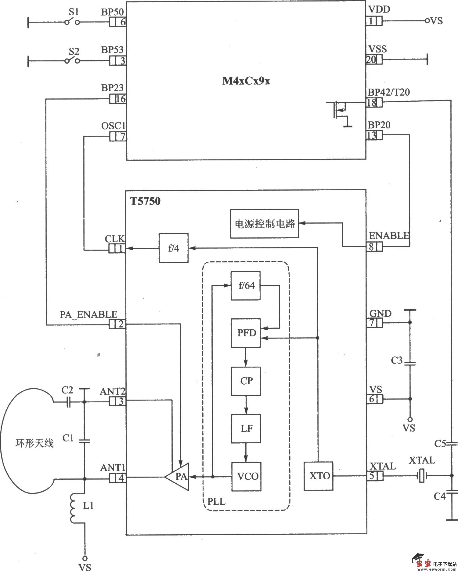
T5750是采用PLL(锁相环)结构的单片廉价发射器。 主要技术特点如下: ·发射的频率为868~928 MHz; ·ASK/FSK调制方式; ·数据传输速率可达32 Kb/s; ·电源电压为2.O~4.0 V; ·工作电流为ll mA,低功耗模式电流为350 nA; ·输出功率为8 dBm(f=868.3 MHz,VS一3.0 V,Z(负载)=(166 j226)时); ·CLK输出端提供时钟给微控制器; ·单端天线输出。
T5750 ASK应用电路
T5750 FSK应用电路
T5750是采用PLL(锁相环)结构的单片廉价发射器。 主要技术特点如下: ·发射的频率为868~928 MHz; ·ASK/FSK调制方式; ·数据传输速率可达32 Kb/s; ·电源电压为2.O~4.0 V; ·工作电流为ll mA,低功耗模式电流为350 nA; ·输出功率为8 dBm(f=868.3 MHz,VS一3.0 V,Z(负载)=(166 j226)时); ·CLK输出端提供时钟给微控制器; ·单端天线输出。
T5750 ASK应用电路
T5750 FSK应用电路