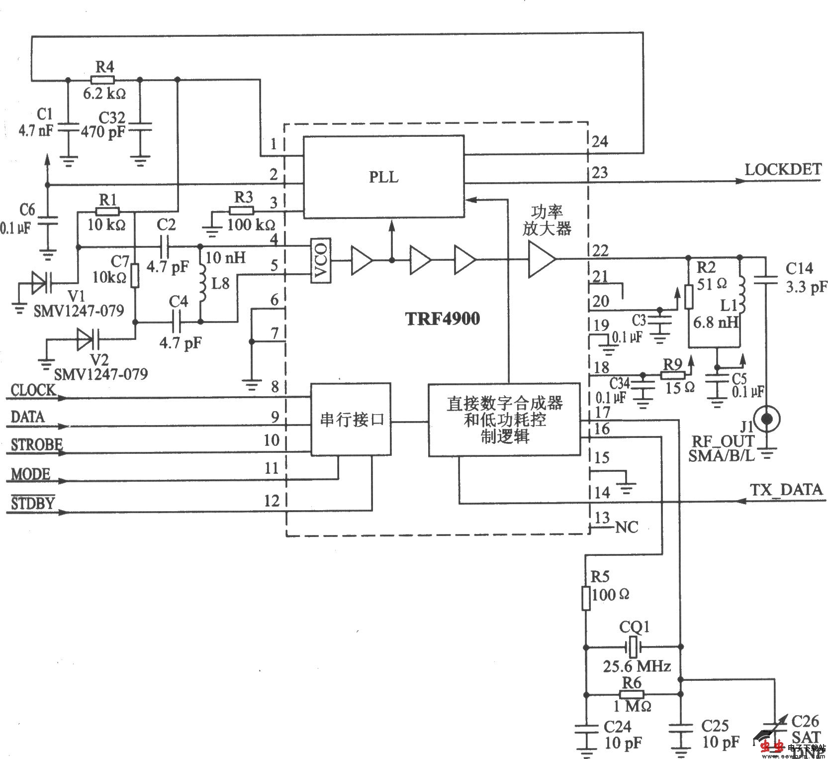
TRF4900 FM/FSK 915/868 MHz发射器

📅 发布时间:2013-09-29 12:30 👁️ 浏览:0 🏷️ 标签: 4900 TRF 915 868

TRF4900工作在欧洲868~870 MHz ISM频段的FSK应用电路

TRF4900工作在美国902~928 MHz ISM频段的应用电路

觉得这篇文章有帮助吗?